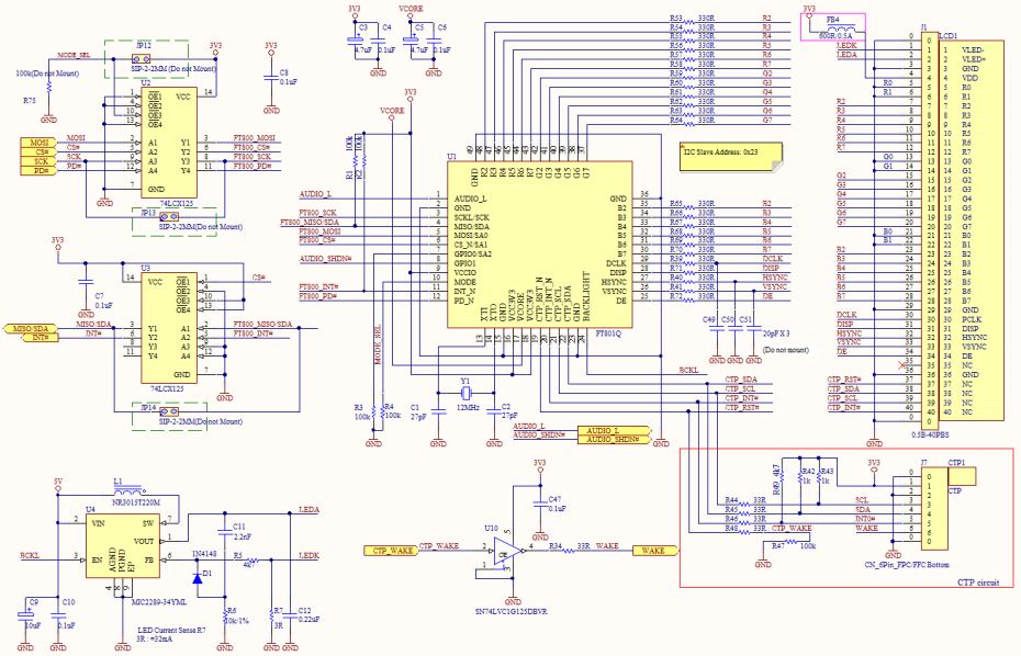
FTDI VM801B50A-PLVM801B50A-PL DEV MODULE, FT801 EVE WITH 5" DISPLAY
The FTDI Chip VM801B50A-PL Embedded Video Engine Plus Development Module is a powerful and versatile tool for medical and healthcare applications. It supports 3.3/5V MCU Adapter Board and comes preinstalled with a 5 - 480x272 resolution TFT LCD display panel with a pearl bezel. It is designed to provide a comprehensive development platform for creating medical and healthcare applications. The module is equipped with a wide range of features, including a high-speed USB 2.0 interface, a wide range of video formats, and a powerful video engine. It also supports a variety of display resolutions, including 480x272, 800x480, and 1024x768. The module is also compatible with a variety of operating systems, including Windows, Linux, and Mac OS X. The FTDI Chip VM801B50A-PL is an ideal solution for medical and healthcare applications that require a reliable and powerful development platform.
- TypeParameter
- Package / CaseModule
- Operating Supply Voltage5V
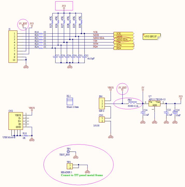
- InterfaceI2C, SPI, USB
- TouchscreenCapacitive
- Backlight TypeLED
- Resolution (height)272 pixel
- Resolution (width)480 pixel
- Diagonal Size5 in
- FeaturesI2C
- REACH SVHCNo SVHC
- RoHS StatusRoHS Compliant
- Lead FreeLead Free
| Part Number | Manufacturer | Description | Stock | RFQ |
|---|---|---|---|---|
| Texas Instruments | IC BUF NON-INVERT 5.5V SOT23-5 | 99881 | RFQ | |
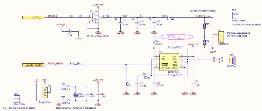
| Texas Instruments | IC AMP AUDIO PWR 1.25W AB 8MSOP | 31092 | RFQ | |
| Texas Instruments | Audio Amp Speaker 1-CH Mono 1.25W Class-AB 8-Pin HVSSOP EP Tube | 577 | BUY | |
| ON Semiconductor | ON SEMICONDUCTOR - 74LCX125MTC - Buffer, 74LCX125, 2 V to 3.6 V, TSSOP-14 | 33000 | RFQ | |
| ON Semiconductor | IC BUFFER QUAD LV N-INV 14DQFN | 50 | BUY | |
| Texas Instruments | TEXAS INSTRUMENTS - TPA6205A1DGN - IC, AUDIO AMP, CLASSAB, 8MSOP | 1 | BUY | |
| Texas Instruments | IC AMP CLASS AB MONO 1.25W 8MSOP | 2731 | BUY | |
| Texas Instruments | Audio Amp Speaker 1-CH Mono 1.25W Class-AB 8-Pin VSON EP T/R | 6000 | RFQ |


Product
Brand
Articles
Tools

















