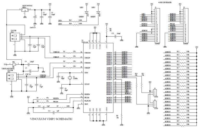
FTDI, Future Technology Devices International Ltd VDIP2MOD VINCULUM DEV 2 PORT
The FTDI Chip VDIP2-VDIP2 Development Module is a versatile tool for developing applications with the Vinculum VNC1L Module. It provides a convenient platform for connecting the VNC1L Module to a PC or other host device, allowing for easy programming and debugging. The VDIP2-VDIP2 Development Module features a USB 2.0 interface, a 5V power supply, and a variety of I/O ports, including UART, SPI, and I2C. It also includes a USB-to-serial converter, allowing for easy communication between the VNC1L Module and the host device. The VDIP2-VDIP2 Development Module is an ideal solution for developing applications with the Vinculum VNC1L Module, providing a reliable and easy-to-use platform for connecting the VNC1L Module to a PC or other host device.
- TypeParameter
- Factory Lead Time19 Weeks
- MountThrough Hole
- Package / CaseModule
- Number of Pins40
- SeriesVinculum
- Published1998
- Part StatusActive
- Moisture Sensitivity Level (MSL)1 (Unlimited)
- TypeInterface
- FunctionUSB 2.0 Host/Controller
- Operating Supply Voltage5V
- InterfaceParallel, SPI, UART, USB
- Utilized IC / PartVNC1L-1A
- Supplied ContentsBoard(s)
- Evaluation KitYes
- Number of Drivers2
- Primary AttributesDual A-Type Connector, UART / Parallel FIFO / SPI Interfaces
- EmbeddedYes, ASIC
- Secondary AttributesFirmware Update via USB Flash Drive or UART, Traffic LEDs
- Number of Receivers2
- RoHS StatusRoHS Compliant
- Lead FreeLead Free
| Part Number | Manufacturer | Description | Stock | RFQ |
|---|---|---|---|---|
| Texas Instruments | 2-BIT BIDIRECTIONAL VOLTAGE-LEVE | 11536 | BUY | |
| Texas Instruments | IC, CONTROLLER, PWM, SMD | 10000 | RFQ | |
| Microchip Technology | IC CONTROLLER USB 36QFN | 6000 | RFQ | |
| Texas Instruments | IC REG CTRLR MULT TOPOLOGY 8SOIC | 24349 | RFQ | |
| Texas Instruments | IC REG BUCK ADJ 1.5A SOT23-5 | 50 | RFQ | |
| Texas Instruments | IC REG BUCK ADJ 1.5A 6WSON | 1000 | RFQ | |
| Texas Instruments | IC REG CTRLR MULT TOPOLOGY 8SOIC | 361 | RFQ | |
| Texas Instruments | IC TRNSLTR BIDIRECTIONAL 16TSSOP | 123 | BUY |


Product
Brand
Articles
Tools





















