Infineon Technologies IRAUDAMP4AKIT DESIGN IRS20957S/IRF6645
Description
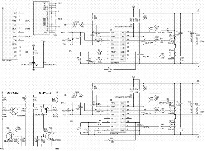
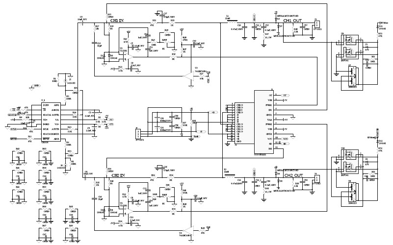
The Infineon Technologies AG IRAUDAMP4A-A is a 120W, 2-Channel, Class-D Audio Power Amplifier for Active Subwoofer, Audio System. It is designed to deliver high-quality audio performance with low distortion and low noise. It features a high efficiency of up to 90%, allowing for a compact design and low power consumption. The amplifier is equipped with a wide range of protection features, including over-temperature, over-current, and short-circuit protection. It also features a low-noise, low-distortion, and low-power standby mode. The IRAUDAMP4A-A is ideal for use in active subwoofer and audio systems, providing superior sound quality and reliability.
Specifications
Infineon Technologies technical specifications, attributes, parameters and parts with similar specifications to Infineon Technologies .
- TypeParameter
- PackagingBox
- Published2005
- Part StatusActive
- Moisture Sensitivity Level (MSL)1 (Unlimited)
- Voltage - Supply±25V~35V
- Output Type2-Channel (Stereo)
- Operating Supply Voltage35V
- Operating Supply Current100mA
- Amplifier TypeClass D
- Utilized IC / PartIRF6645, IRS20957
- Supplied ContentsBoard(s)
- Evaluation KitYes
- Max Output Power120W
- Board TypeFully Populated
- Max Output Power x Channels @ Load120W x 2 @ 4Ohm
- REACH SVHCNo SVHC
- Radiation HardeningNo
- RoHS StatusNon-RoHS Compliant
0 Similar Products Remaining
Technical Documents


Product
Brand
Articles
Tools















