Linear Technology/Analog Devices DC043ALTC1286CS8 - MICROPOWER 12-BIT S
Description
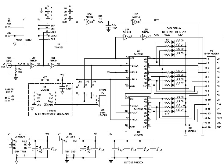
The Analog Devices DC043A-A, DC043A, LTC1286CS8 Demo Board is a micro-power 12-bit serial I/O ADC instrumentation and measurement board. It is designed to demonstrate the features and performance of the LTC1286CS8 ADC. The board includes a 12-bit ADC, a low-power voltage reference, and a serial interface. The ADC has a wide input range of 0V to 5V and a high resolution of 12-bits. It also features a low power consumption of only 1.5mA. The board is ideal for applications such as data acquisition, instrumentation, and measurement. It is also suitable for use in battery-powered systems.
Specifications
Linear Technology/Analog Devices technical specifications, attributes, parameters and parts with similar specifications to Linear Technology/Analog Devices .
- TypeParameter
- Factory Lead Time8 Weeks
- PackagingBox
- Part StatusActive
- Moisture Sensitivity Level (MSL)1 (Unlimited)
- Number of Bits12
- Utilized IC / PartLTC1286
- Supplied ContentsBoard(s)
- Data InterfaceSerial, SPI
- Sampling Rate (Per Second)12.5k
- Number of A/D Converters1
- Input Range0 ~ 5V
- Power (Typ) @ Conditions1.25mW @ 12.5kSPS
- RoHS StatusROHS3 Compliant
0 Similar Products Remaining
Technical Documents
Associated Products
| Part Number | Manufacturer | Description | Stock | RFQ |
|---|---|---|---|---|
| ON Semiconductor | IC INVERTER SCHMITT 6CH 14SOIC | 17841 | RFQ | |
| ON Semiconductor | IC COUNTER 4BIT PRESET 16SOIC | 50000 | BUY | |
| ON Semiconductor | IC COUNTER 4BIT PRESET 16TSSOP | 50000 | BUY | |
| Analog Devices, Inc. | IC VREF SERIES 5V 8SOIC | 500 | RFQ |


Product
Brand
Articles
Tools









