Linear Technology/Analog Devices DC1051ABOARD DEMO FOR LTC4217
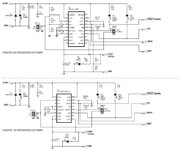
The Analog Devices DC1051A-A, DC1051A, Demo Board Using LTC4217, 2A Hot-Swap Controller with Integrated MOSFET and Sense, Industrial is a versatile and powerful demonstration board designed to showcase the capabilities of the LTC4217 Hot-Swap controller. This board is ideal for industrial applications, as it features an integrated MOSFET and sense resistor, allowing for efficient and reliable power management. The board also features a wide range of protection features, such as over-current, over-voltage, and under-voltage protection, as well as thermal shutdown. The board is also capable of providing up to 2A of current, making it suitable for a variety of applications. The board is easy to use and configure, making it an ideal choice for industrial applications.
- TypeParameter
- Lifecycle StatusPRODUCTION (Last Updated: 1 month ago)
- Factory Lead Time8 Weeks
- Number of Pins0
- Published2008
- Part StatusActive
- Moisture Sensitivity Level (MSL)1 (Unlimited)
- TypePower Management
- Base Part NumberLTC4217
- FunctionHot Swap Controller
- Operating Supply Voltage26.3V
- Utilized IC / PartLTC4217
- Supplied ContentsBoard(s)
- Evaluation KitYes
- EmbeddedNo
- Secondary AttributesOn-Board LEDs
- Length36mm
- REACH SVHCNo SVHC
- RoHS StatusROHS3 Compliant
| Part Number | Manufacturer | Description | Stock | RFQ |
|---|---|---|---|---|
| Maxim Integrated | MAX1617 Series 5.5 V Surface Mount Digital Temperature Sensor - QSOP-16 | 456 | RFQ |


Product
Brand
Articles
Tools











