Linear Technology/Analog Devices DC1197ABOARD DEMO FOR LT3572EUF
Description
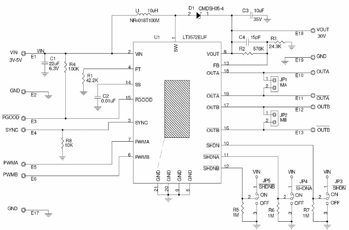
The Analog Devices DC1197A-A, DC1197A Demo Board for the LT3572 Dual Full-Bridge Piezo Driver With 900mA Boost Converter, Motor Control, and LED Driver is a versatile and powerful development platform for evaluating the LT3572. This demo board features two full-bridge piezo drivers, a 900mA boost converter, motor control, and LED driver. The board is designed to provide a complete solution for driving piezo actuators, motors, and LEDs. It includes a wide range of features such as adjustable current limit, adjustable frequency, and adjustable voltage. The board also includes a USB interface for programming and debugging. The board is ideal for applications such as medical, industrial, and consumer products.
Specifications
Linear Technology/Analog Devices technical specifications, attributes, parameters and parts with similar specifications to Linear Technology/Analog Devices .
- TypeParameter
- Lifecycle StatusPRODUCTION (Last Updated: 3 months ago)
- Factory Lead Time8 Weeks
- Number of Pins0
- Part StatusActive
- Moisture Sensitivity Level (MSL)1 (Unlimited)
- TypePower Management
- FunctionMotor Controller/Driver
- Utilized IC / PartLT3572
- Supplied ContentsBoard(s)
- Primary AttributesPiezoelectric
- RoHS StatusROHS3 Compliant
0 Similar Products Remaining


Product
Brand
Articles
Tools












