ON Semiconductor NCV7240GEVBPower Management IC Development Tools NCV7240 EVAL BOARD BOARD
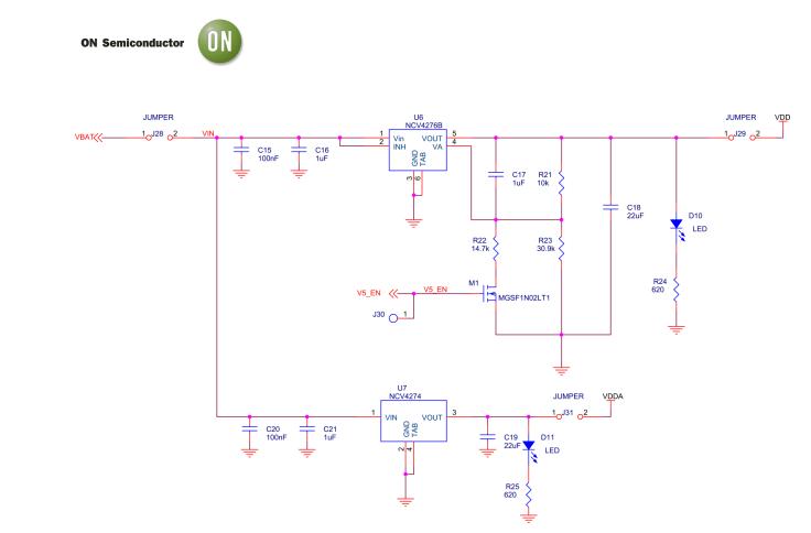
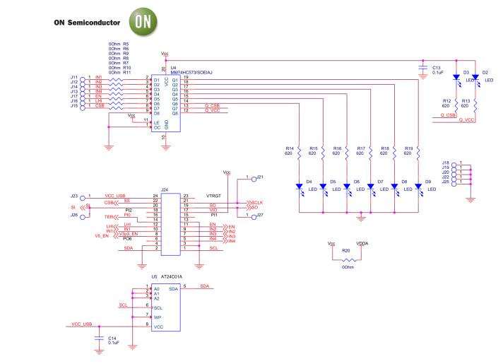
The ON Semiconductor NCV7240GEVB-GEVB Automotive 8-Channel Low Side Driver Evaluation Kit is a comprehensive evaluation platform for automotive and transportation applications. This kit includes the NCV7240GEVB, a low side driver IC with 8 channels, and a variety of components to evaluate the performance of the IC. The kit also includes a graphical user interface (GUI) to configure the IC and monitor its performance. The NCV7240GEVB is designed to provide high-current drive capability and low-side switching for automotive and transportation applications. It features a wide operating voltage range, low quiescent current, and a wide temperature range. The kit also includes a variety of components to evaluate the performance of the IC, such as a power supply, a current sense resistor, and a load resistor. The GUI allows users to configure the IC and monitor its performance in real-time. This evaluation kit is ideal for automotive and transportation applications that require high-current drive capability and low-side switching.


Product
Brand
Articles
Tools














