Linear Technology/Analog Devices DC1295BBOARD DEMO LTM4606
Description
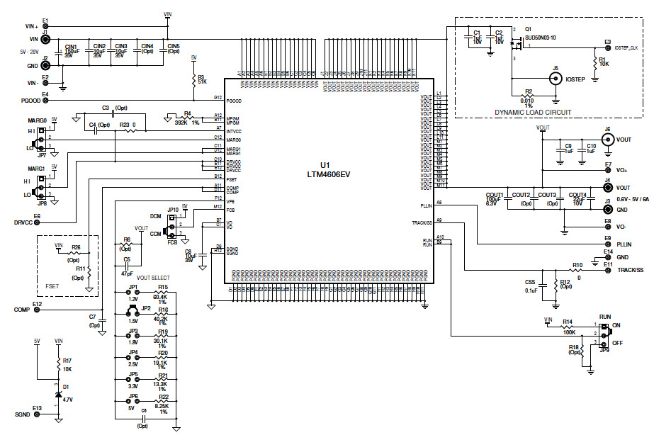
The Analog Devices DC1295B-B, LTM4606EV Demo Board is a 28V, 6A DC/DC module regulator designed for industrial applications. It is EN55022B compliant and features a wide input voltage range of 4.5V to 28V. The board is capable of delivering up to 6A of continuous output current and is designed to provide a high level of efficiency and reliability. It also features a wide range of protection features, including over-voltage, over-current, and short-circuit protection. The board is also designed to be easy to use and configure, with a simple user interface and intuitive controls. This makes it ideal for use in a variety of industrial applications.
Specifications
Linear Technology/Analog Devices technical specifications, attributes, parameters and parts with similar specifications to Linear Technology/Analog Devices .
- TypeParameter
- Lifecycle StatusPRODUCTION (Last Updated: 3 months ago)
- Factory Lead Time8 Weeks
- Package / CaseModule
- Number of Pins0
- SeriesµModule®
- Published2009
- Part StatusActive
- Moisture Sensitivity Level (MSL)1 (Unlimited)
- Operating Supply Voltage28V
- Voltage - Output0.6V 1.2V 1.5V 1.8V 2.5V 3.3V or 5V
- Frequency - Switching800kHz
- Utilized IC / PartLTM4606
- Supplied ContentsBoard(s)
- Evaluation KitYes
- Board TypeFully Populated
- Main PurposeDC/DC, Step Down
- Outputs and Type1, Non-Isolated
- Regulator TopologyBuck
- Length42mm
- REACH SVHCNo SVHC
- RoHS StatusNon-RoHS Compliant
0 Similar Products Remaining
Technical Documents


Product
Brand
Articles
Tools











