Maxim Integrated MAX38800EVKIT#EVAL MAX38800 BUCK 9A
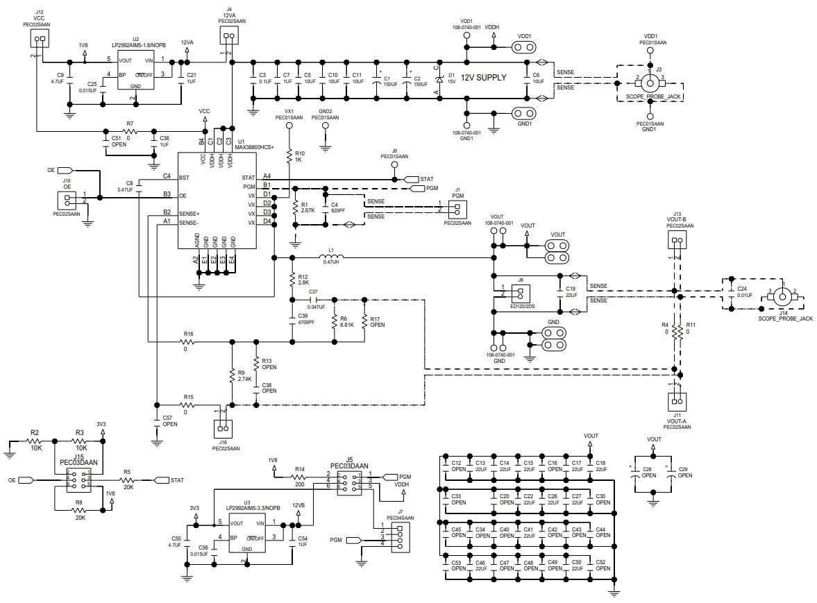
The MAX38800EVKIT-EVKIT# is an evaluation kit for the MAX38800 Integrated Step-Down Switching Regulator with Selectable Applications Configurations. This kit is designed to help engineers evaluate the performance of the MAX38800 in a variety of applications, such as computers and peripherals. The kit includes a MAX38800 evaluation board, a USB-to-I2C interface board, and a power supply. The evaluation board features a wide input voltage range, adjustable output voltage, and selectable applications configurations. The USB-to-I2C interface board allows for easy communication with the MAX38800, and the power supply provides the necessary power for the evaluation board. The MAX38800EVKIT-EVKIT# is an ideal tool for engineers to quickly and accurately evaluate the performance of the MAX38800 in their applications.
- TypeParameter
- Factory Lead Time6 Weeks
- SeriesQuick-PWM™
- Part StatusActive
- Moisture Sensitivity Level (MSL)1 (Unlimited)
- Voltage - Output0.6V~5.5V
- Utilized IC / PartMAX38800
- Supplied ContentsBoard(s)
- Board TypeFully Populated
- Main PurposeDC/DC, Step Down
- Outputs and Type1, Non-Isolated
- RoHS StatusROHS3 Compliant
| Part Number | Manufacturer | Description | Stock | RFQ |
|---|---|---|---|---|
| Texas Instruments | LDO Regulator Pos 3.3V 0.25A 5-Pin SOT-23 T/R | 92374 | RFQ |


Product
Brand
Articles
Tools










