Maxim Integrated MAX38801EVKIT#EVAL MAX38801 BUCK 15A
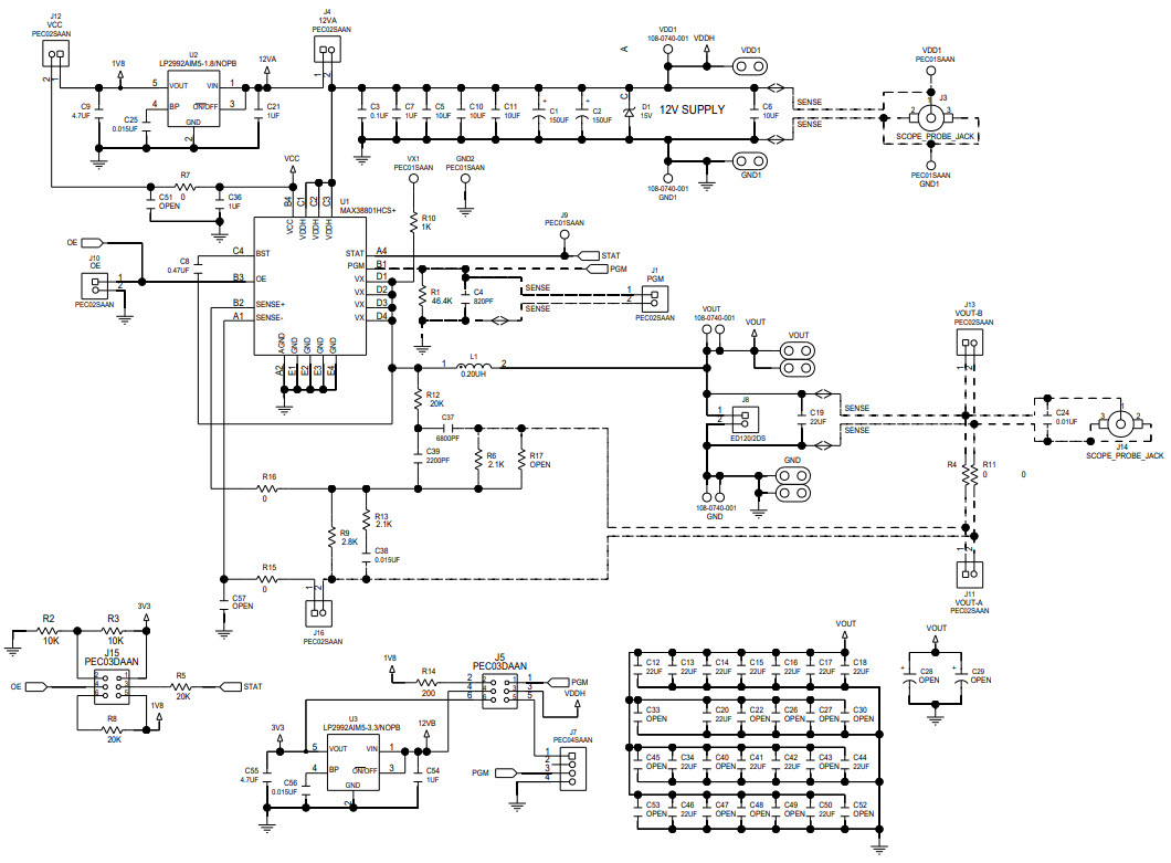
The MAX38801EVKIT-EVKIT# is an evaluation kit for the MAX38801 Integrated Step-Down Switching Regulator with Selectable Applications Configurations. This kit is designed to help engineers evaluate the performance of the MAX38801 in a variety of applications, including computers and peripherals. The kit includes a MAX38801 evaluation board, a USB-to-I2C interface board, and a power supply. The evaluation board features a wide range of adjustable parameters, allowing users to customize the MAX38801 for their specific application. The USB-to-I2C interface board allows users to easily program and monitor the MAX38801. The power supply provides the necessary power for the evaluation board. The MAX38801EVKIT-EVKIT# is an ideal tool for engineers looking to evaluate the performance of the MAX38801 in their applications.
- TypeParameter
- Factory Lead Time6 Weeks
- SeriesQuick-PWM™
- Published2017
- Part StatusActive
- Moisture Sensitivity Level (MSL)1 (Unlimited)
- Voltage - Output0.6V~5.5V
- Utilized IC / PartMAX38801
- Supplied ContentsBoard(s)
- Board TypeFully Populated
- Main PurposeDC/DC, Step Down
- Outputs and Type1, Non-Isolated
- RoHS StatusROHS3 Compliant
| Part Number | Manufacturer | Description | Stock | RFQ |
|---|---|---|---|---|
| Texas Instruments | LDO Regulator Pos 3.3V 0.25A 5-Pin SOT-23 T/R | 92374 | RFQ |


Product
Brand
Articles
Tools














