Linear Technology/Analog Devices DC1384A-ABOARD DELTA SIGMA ADC LTC2452
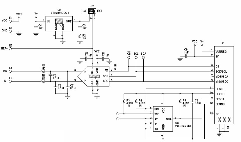
The Analog Devices DC1384A-A Demo Board is a versatile instrumentation and measurement tool that utilizes the LTC2452 16-bit SPI differential ultra-tiny delta sigma ADC. This board is designed to provide a platform for evaluating the performance of the LTC2452 ADC in a variety of applications. The board features a wide range of input ranges, including ±2.5V, ±5V, ±10V, and ±20V, allowing for a variety of measurements. Additionally, the board includes a variety of output options, including a USB interface, a serial port, and a parallel port, allowing for easy connection to a variety of devices. The board also includes a variety of test points and jumpers, allowing for easy customization of the board for specific applications. The DC1384A-A Demo Board is an ideal tool for evaluating the performance of the LTC2452 ADC in a variety of instrumentation and measurement applications.
- TypeParameter
- Lifecycle StatusPRODUCTION (Last Updated: 3 weeks ago)
- Factory Lead Time8 Weeks
- Number of Pins0
- PackagingBox
- Published2009
- Part StatusActive
- Moisture Sensitivity Level (MSL)1 (Unlimited)
- Operating Supply Voltage5V
- Number of Bits16
- Utilized IC / PartLTC2452
- Supplied ContentsBoard(s)
- Data InterfaceSPI
- Sampling Rate60 sps
- Evaluation KitYes
- Sampling Rate (Per Second)60
- Number of A/D Converters2
- Input Range±VREF
- REACH SVHCNo SVHC
- RoHS StatusROHS3 Compliant
| Part Number | Manufacturer | Description | Stock | RFQ |
|---|---|---|---|---|
| Analog Devices, Inc. | 0 | RFQ | ||
| Microchip Technology | MICROCHIP - 24LC025-I/ST - SERIAL EEPROM, 2KBIT, 400KHZ, TSSOP-8 | 25 | RFQ | |
| Analog Devices, Inc. | IC, SM, VOLT REF, 5V | 0 | RFQ |


Product
Brand
Articles
Tools















