Linear Technology/Analog Devices DC1385ABOARD EVAL LTM4614
Description
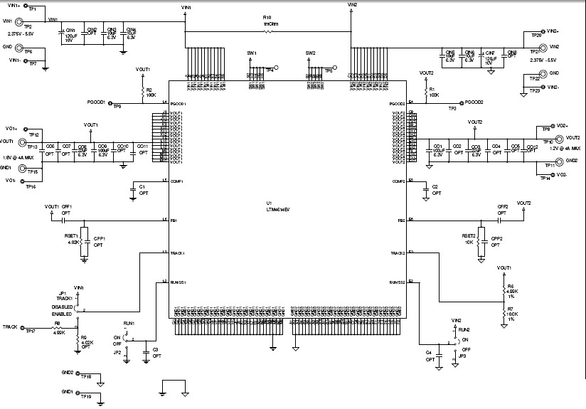
The Analog Devices DC1385A-A, LTM4614EV Demo Board is a low voltage, dual 4A DC/DC module regulator designed for military and aerospace grade applications. It features a wide input voltage range of 4.5V to 28V, and a wide output voltage range of 0.6V to 5.5V. It is capable of delivering up to 8A of continuous output current, and up to 16A of peak output current. The board also features a wide range of protection features, including over-voltage, over-current, and short-circuit protection. It is designed to operate in temperatures ranging from -40°C to +125°C, making it suitable for a variety of extreme environments.
Specifications
Linear Technology/Analog Devices technical specifications, attributes, parameters and parts with similar specifications to Linear Technology/Analog Devices .
- TypeParameter
- Factory Lead Time8 Weeks
- SeriesµModule®
- Published2008
- Part StatusActive
- Moisture Sensitivity Level (MSL)1 (Unlimited)
- Voltage - Output1.2V 1.8V
- Frequency - Switching1.25MHz
- Utilized IC / PartLTM4614
- Supplied ContentsBoard(s)
- Board TypeFully Populated
- Main PurposeDC/DC, Step Down
- Outputs and Type2, Non-Isolated
- Regulator TopologyBuck
- RoHS StatusNon-RoHS Compliant
0 Similar Products Remaining
Technical Documents


Product
Brand
Articles
Tools











