Linear Technology/Analog Devices DC1472ABOARD DEMO LTM4618
Description
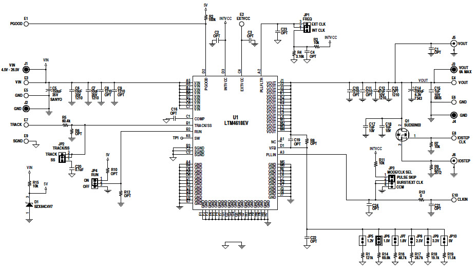
The Analog Devices DC1472A-A, LTM4618EV Demo Board is a 26V, 6A step-down module regulator with tracking and power management IC. It is designed to provide a high-efficiency, low-noise power solution for a wide range of applications. The board features a wide input voltage range of 4.5V to 26V, and a wide output voltage range of 0.6V to 5.5V. It also features a high-efficiency synchronous buck regulator with tracking, allowing for a wide range of output current levels. The board also includes a power management IC, which provides protection against over-voltage, over-current, and over-temperature conditions. The board is ideal for applications such as automotive, industrial, and consumer electronics.
Specifications
Linear Technology/Analog Devices technical specifications, attributes, parameters and parts with similar specifications to Linear Technology/Analog Devices .
- TypeParameter
- Factory Lead Time8 Weeks
- SeriesµModule®
- Published2010
- Part StatusActive
- Moisture Sensitivity Level (MSL)1 (Unlimited)
- Voltage - Output1.2V 1.5V 1.8V 2.5V 3.3V 5V
- Frequency - Switching500kHz
- Utilized IC / PartLTM4618
- Supplied ContentsBoard(s)
- Board TypeFully Populated
- Main PurposeDC/DC, Step Down
- Outputs and Type1, Non-Isolated
- Regulator TopologyBuck
- RoHS StatusNon-RoHS Compliant
0 Similar Products Remaining
Technical Documents


Product
Brand
Articles
Tools













