Linear Technology/Analog Devices DC1484A-BLT3651EUHE-8.2 DEMO BOARD I
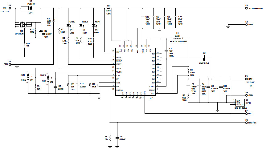
The Analog Devices DC1484A-B, LT3651EUHE-8.2 Demo Board, 4A High Voltage 2-Cell Li-Ion Battery Charger, Automotive and Transportation is a powerful and versatile charging solution for automotive and transportation applications. It is designed to charge two-cell Li-Ion batteries with up to 4A of current. The board features a high-voltage buck-boost converter with an adjustable output voltage range of 4.2V to 8.4V. It also includes a high-efficiency synchronous rectifier, a low-dropout linear regulator, and a programmable current limit. The board is designed to be used with a wide range of automotive and transportation applications, including electric vehicles, hybrid electric vehicles, and battery-powered equipment. It is also suitable for use in industrial and consumer applications.
- TypeParameter
- Factory Lead Time8 Weeks
- Part StatusActive
- Moisture Sensitivity Level (MSL)1 (Unlimited)
- TypePower Management
- FunctionBattery Charger
- Utilized IC / PartLT3651-8.2
- Supplied ContentsBoard(s)
- Primary AttributesLi-Ion / Li-Pol (2 Cells)
- EmbeddedNo
- Secondary AttributesOn-Board LEDs, Test Points
- RoHS StatusROHS3 Compliant


Product
Brand
Articles
Tools








