Linear Technology/Analog Devices DC1515ALT3050EDDB DEMO BOARD: 45V/100MA
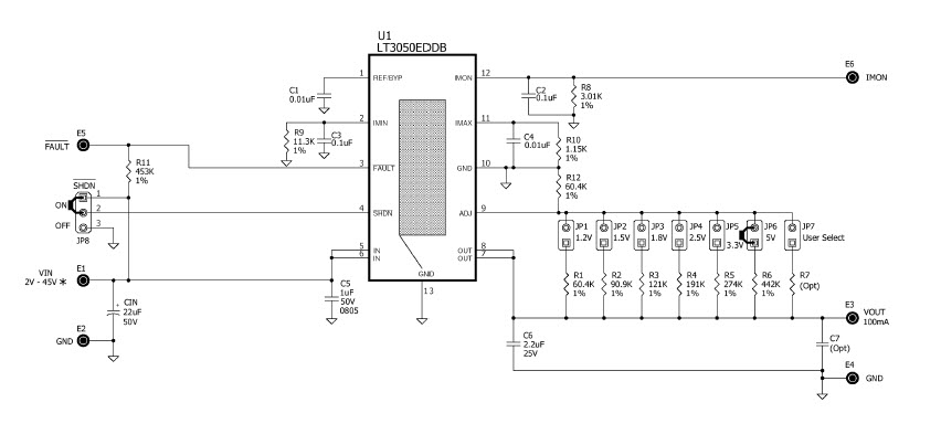
The Analog Devices DC1515A-A, LT3050EDDB Demo Board, 100mA Protected Antenna Supply LDO is a low-dropout (LDO) regulator designed for automotive and transportation applications. It provides a regulated output voltage of 5V with a maximum output current of 100mA. The board features a wide input voltage range of 4.5V to 40V, making it suitable for a variety of automotive and transportation applications. The board also features a low quiescent current of only 10µA, making it ideal for battery-powered applications. The board is protected against over-voltage, over-current, and short-circuit conditions, ensuring reliable operation in harsh environments. The board is also RoHS compliant, making it suitable for use in a variety of automotive and transportation applications.
- TypeParameter
- Factory Lead Time8 Weeks
- Voltage-Input5.4V~45V
- PackagingBox
- Part StatusActive
- Moisture Sensitivity Level (MSL)1 (Unlimited)
- Current - Output100mA
- Voltage - Output5V
- Utilized IC / PartLT3050
- Supplied ContentsBoard(s)
- Regulator TypePositive Adjustable
- Board TypeFully Populated
- Channels per IC1 - Single
- RoHS StatusROHS3 Compliant
| Part Number | Manufacturer | Description | Stock | RFQ |
|---|---|---|---|---|
| Analog Devices, Inc. | 0 | RFQ |


Product
Brand
Articles
Tools







