Linear Technology/Analog Devices DC1559ADEMOBOARD FOR THE LTM8046
Description
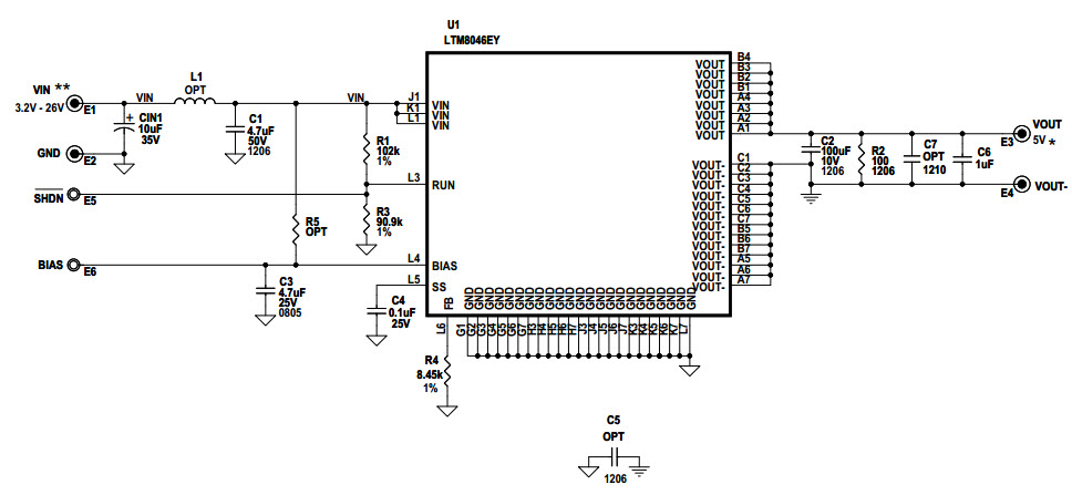
The Analog Devices DC1559A-A, DC1559A Demo Board is a powerful and versatile tool for evaluating the performance of the LTM8046 2kVAC Isolated Flyback Module Converter. This demo board is designed to operate with an input voltage range of 3.2V to 26V and can provide an output voltage of 5V at up to 550mA. It is also designed to operate in an industrial temperature range, making it suitable for a wide range of applications. The demo board also features a wide range of protection features, including over-voltage, over-current, and short-circuit protection, as well as thermal shutdown. This demo board is an ideal solution for evaluating the performance of the LTM8046 2kVAC Isolated Flyback Module Converter.
Specifications
Linear Technology/Analog Devices technical specifications, attributes, parameters and parts with similar specifications to Linear Technology/Analog Devices .
- TypeParameter
- Factory Lead Time8 Weeks
- SeriesµModule®
- Published2011
- Part StatusActive
- Moisture Sensitivity Level (MSL)1 (Unlimited)
- Base Part NumberLTM8046
- Voltage - Output5V
- Utilized IC / PartLTM8046
- Supplied ContentsBoard(s)
- Board TypeFully Populated
- Main PurposeDC/DC Converter
- Outputs and Type1, Isolated
- RoHS StatusROHS3 Compliant
0 Similar Products Remaining
Technical Documents


Product
Brand
Articles
Tools















