Linear Technology/Analog Devices DC1704ADEMO BOARD FOR LTC4280
Description
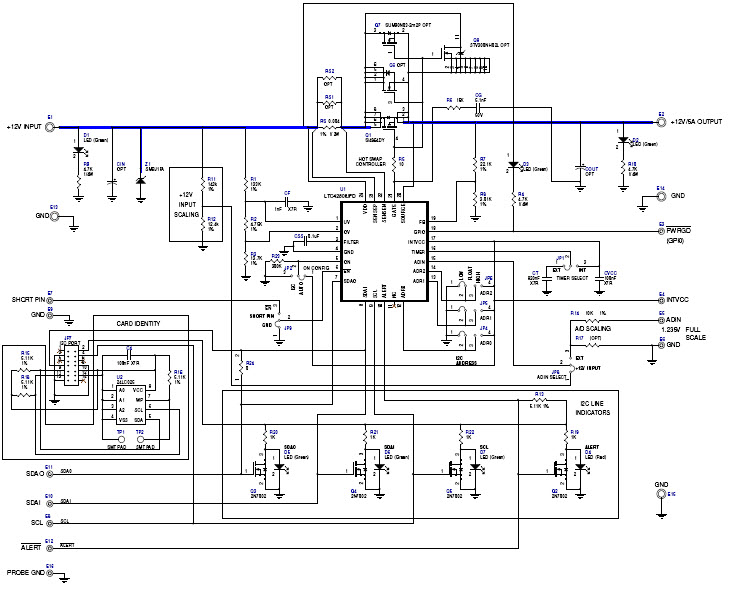
The Analog Devices DC1704A-A LTC4280 Demo Board is a Hot-Swap Controller with an integrated Analog-to-Digital Converter (ADC) and Inter-Integrated Circuit (I2C) interface, as well as three General-Purpose Input/Output (GPIO) pins. It is designed to provide reliable power control for computers and peripherals, allowing for safe and efficient hot-swapping of components. The board features a wide input voltage range of 4.5V to 28V, and can support up to 10A of current. It also includes a variety of protection features, such as over-voltage, over-current, and over-temperature protection. The board is ideal for applications such as server and storage systems, industrial automation, and medical equipment.
Specifications
Linear Technology/Analog Devices technical specifications, attributes, parameters and parts with similar specifications to Linear Technology/Analog Devices .
- TypeParameter
- Lifecycle StatusPRODUCTION (Last Updated: 3 weeks ago)
- Factory Lead Time8 Weeks
- Number of Pins0
- Published2010
- Part StatusActive
- Moisture Sensitivity Level (MSL)1 (Unlimited)
- TypePower Management
- Base Part NumberLTC4280
- FunctionHot Swap Controller
- Utilized IC / PartLTC4280
- Supplied ContentsBoard(s)
- Evaluation KitYes
- EmbeddedNo
- Secondary AttributesOn-Board LEDs
- REACH SVHCNo SVHC
- RoHS StatusROHS3 Compliant
0 Similar Products Remaining
Technical Documents


Product
Brand
Articles
Tools












