Linear Technology/Analog Devices DC1858AFOR FAE CUSTOMER DEMONSTRATION O
Description
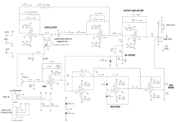
The Analog Devices DC1858A-A Demo Board is a versatile platform for testing Analog to Digital Converter, Instrumentation and Measurement applications. It features the LT1468 low noise, low distortion sine wave generator, which provides a clean and accurate signal for testing. The board also includes a variety of other components, such as a power supply, oscilloscope, and signal generator, to provide a comprehensive testing environment. The DC1858A-A is an ideal tool for engineers and technicians who need to quickly and accurately test their designs.
Specifications
Linear Technology/Analog Devices technical specifications, attributes, parameters and parts with similar specifications to Linear Technology/Analog Devices .
- TypeParameter
- Factory Lead Time8 Weeks
- Part StatusActive
- Moisture Sensitivity Level (MSL)1 (Unlimited)
- TypeTiming
- FunctionWaveform Generator
- Supplied ContentsBoard(s)
- Secondary AttributesOn-Board Test Points
- RoHS StatusROHS3 Compliant
0 Similar Products Remaining
Technical Documents
Associated Products
| Part Number | Manufacturer | Description | Stock | RFQ |
|---|---|---|---|---|
| Analog Devices, Inc. | 0 | RFQ | ||
| Analog Devices, Inc. | 0 | RFQ |


Product
Brand
Articles
Tools









