Linear Technology/Analog Devices DC1863ABOARD EVAL FOR LTC3621IMS8E
Description
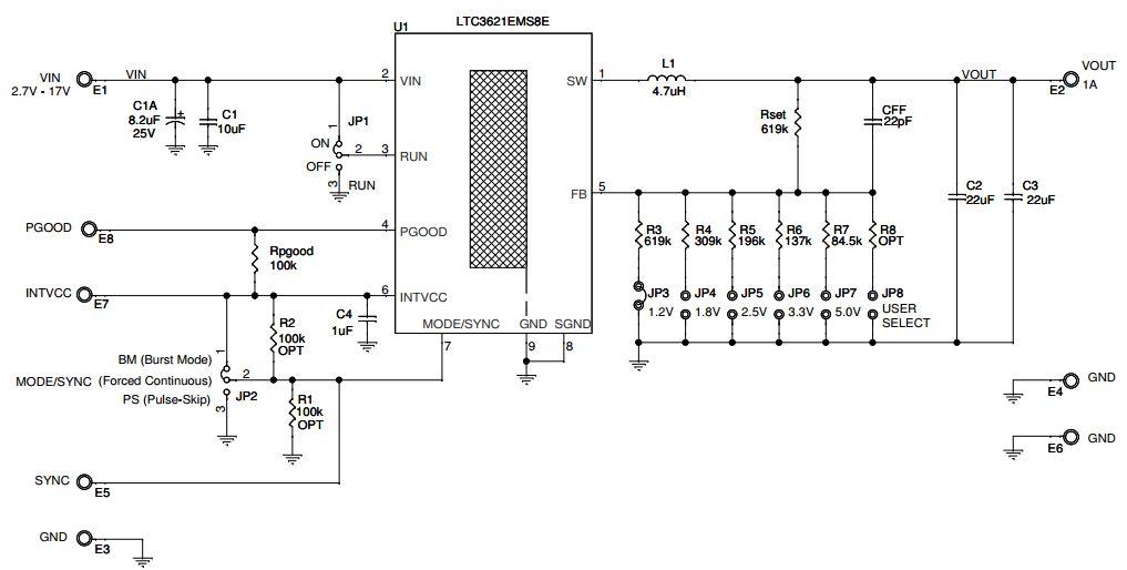
The Analog Devices DC1863A-A Demonstration Board is a versatile platform for evaluating the performance of the LTC3621, a 17V, 1A monolithic synchronous step-down regulator. This board is designed for automotive and transportation applications, and features a wide input voltage range of 4.5V to 17V, adjustable output voltage, and a wide range of operating frequencies. The board also includes a power-good indicator, thermal shutdown protection, and a low-noise mode for improved efficiency. The board is also equipped with a USB interface for easy programming and monitoring. With its robust design and features, the DC1863A-A is an ideal solution for automotive and transportation applications.
Specifications
Linear Technology/Analog Devices technical specifications, attributes, parameters and parts with similar specifications to Linear Technology/Analog Devices .
- TypeParameter
- Lifecycle StatusPRODUCTION (Last Updated: 2 weeks ago)
- Factory Lead Time8 Weeks
- Number of Pins0
- Published2011
- Part StatusActive
- Moisture Sensitivity Level (MSL)1 (Unlimited)
- Base Part NumberLTC3621
- Voltage - Output1.2V 1.8V 2.5V 3.3V or 5V
- Frequency - Switching1MHz
- Utilized IC / PartLTC3621
- Supplied ContentsBoard(s)
- Evaluation KitYes
- Board TypeFully Populated
- Main PurposeDC/DC, Step Down
- Outputs and Type1, Non-Isolated
- Regulator TopologyBuck
- REACH SVHCNo SVHC
- RoHS StatusROHS3 Compliant
0 Similar Products Remaining
Technical Documents


Product
Brand
Articles
Tools













