Linear Technology/Analog Devices DC2005ABOARD EVAL FOR LTC3624EDD
Description
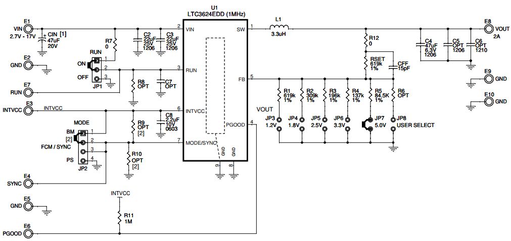
The Analog Devices DC2005A-A Demonstration Board is a powerful tool for evaluating the performance of the LTC3624EDD High Efficiency Synchronous Step-Down Regulator with Ultra Low Quiescent Current, Power Management IC. This board features a wide input voltage range of 4.5V to 28V, adjustable output voltage from 0.6V to 5V, and a maximum output current of 5A. It also includes a wide range of features such as adjustable switching frequency, adjustable soft-start, adjustable current limit, and adjustable power-good threshold. The board also includes a graphical user interface (GUI) for easy configuration and monitoring of the device. This board is ideal for applications such as automotive, industrial, and consumer electronics.
Specifications
Linear Technology/Analog Devices technical specifications, attributes, parameters and parts with similar specifications to Linear Technology/Analog Devices .
- TypeParameter
- Factory Lead Time8 Weeks
- Published2011
- Part StatusActive
- Moisture Sensitivity Level (MSL)1 (Unlimited)
- Voltage - Output5V
- Frequency - Switching1MHz
- Utilized IC / PartLTC3624
- Supplied ContentsBoard(s)
- Board TypeFully Populated
- Main PurposeDC/DC, Step Down
- Outputs and Type1, Non-Isolated
- Regulator TopologyBuck
- RoHS StatusROHS3 Compliant
0 Similar Products Remaining
Technical Documents


Product
Brand
Articles
Tools











