Linear Technology/Analog Devices DC1864AEVAL BOARD BUCK REG LTC3621-2
Description
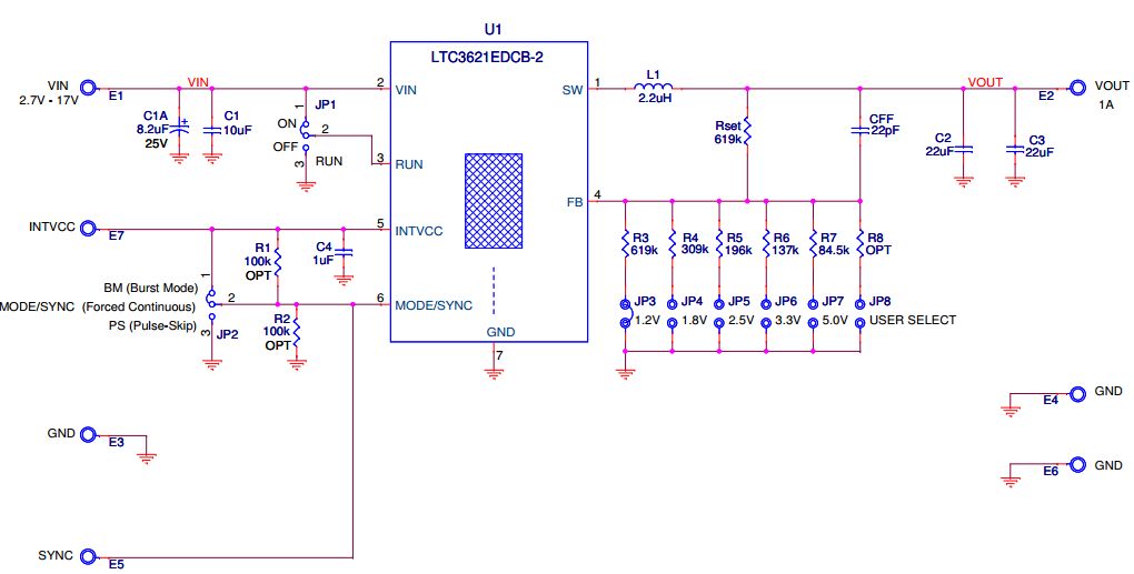
The Analog Devices DC1864A-A Demonstration Board is a versatile platform for evaluating the performance of the LTC3621, a 17V, 1A monolithic synchronous step-down regulator. This board is designed for automotive and transportation applications, and features a wide input voltage range of 4.5V to 17V, adjustable output voltage, and a wide range of operating frequencies. The board also includes a power-good indicator, thermal shutdown protection, and a low-noise mode for improved efficiency. The DC1864A-A board is an ideal solution for evaluating the performance of the LTC3621 in automotive and transportation applications.
Specifications
Linear Technology/Analog Devices technical specifications, attributes, parameters and parts with similar specifications to Linear Technology/Analog Devices .
- TypeParameter
- Lifecycle StatusPRODUCTION (Last Updated: 1 month ago)
- Factory Lead Time8 Weeks
- Number of Pins0
- Published2011
- Part StatusActive
- Moisture Sensitivity Level (MSL)1 (Unlimited)
- Base Part NumberLTC3621
- Voltage - Output1.2V
- Frequency - Switching2.25MHz
- Utilized IC / PartLTC3621-2
- Supplied ContentsBoard(s)
- Evaluation KitYes
- Board TypeFully Populated
- Main PurposeDC/DC, Step Down
- Outputs and Type1, Non-Isolated
- Regulator TopologyBuck
- RoHS StatusROHS3 Compliant
0 Similar Products Remaining
Technical Documents


Product
Brand
Articles
Tools













