Linear Technology/Analog Devices DC1901AEVAL BOARD BUCK REG LTC3639
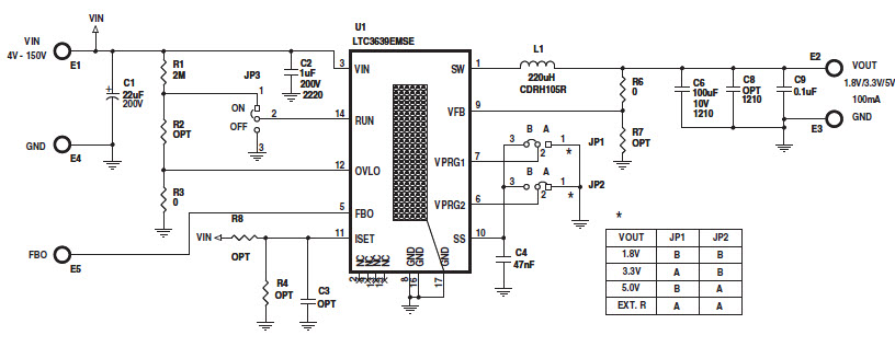
The Analog Devices DC1901A-A Demonstration Board is a powerful tool for automotive and transportation applications. It features the LTC3639EMSE high efficiency, 150V, 100mA synchronous buck converter, which is designed to provide reliable and efficient power conversion. The board is capable of providing up to 150V of output voltage and 100mA of output current, making it suitable for a wide range of automotive and transportation applications. The board also includes a variety of features such as adjustable switching frequency, adjustable soft-start, and adjustable current limit. Additionally, the board is designed to be easy to use and includes a graphical user interface for easy configuration. With its robust design and features, the Analog Devices DC1901A-A Demonstration Board is an ideal solution for automotive and transportation applications.
- TypeParameter
- Lifecycle StatusPRODUCTION (Last Updated: 1 week ago)
- Factory Lead Time8 Weeks
- Number of Pins0
- Published2012
- Part StatusActive
- Moisture Sensitivity Level (MSL)1 (Unlimited)
- Base Part NumberLTC3639
- Voltage - Output1.8V 3.3V or 5V
- Utilized IC / PartLTC3639
- Supplied ContentsBoard(s)
- Evaluation KitYes
- Board TypeFully Populated
- Main PurposeDC/DC, Step Down
- Outputs and Type1, Non-Isolated
- Regulator TopologyBuck
- REACH SVHCUnknown
- RoHS StatusROHS3 Compliant


Product
Brand
Articles
Tools















