Linear Technology/Analog Devices DC1903A-ADEMO BOARD FOR LTM2889-3
Description
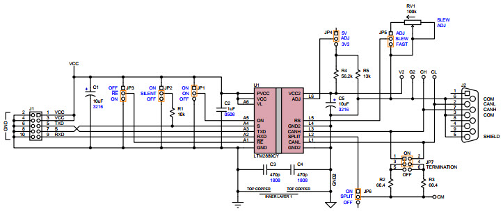
The Analog Devices DC1903A-A Demo Board is a versatile and powerful tool for evaluating the performance of the LTM2889-3 Isolated CAN Transceiver Plus Power @ 3.3V Supply. This board features a 3.3V power supply, a CAN transceiver, and a variety of other components to help you test and evaluate the performance of the transceiver. The board also includes a variety of connectors and jumpers to allow for easy connection to other devices. The board is designed to be used with a variety of CAN bus systems, and is ideal for testing and evaluating the performance of the transceiver in a variety of applications.
Specifications
Linear Technology/Analog Devices technical specifications, attributes, parameters and parts with similar specifications to Linear Technology/Analog Devices .
- TypeParameter
- Lifecycle StatusPRODUCTION (Last Updated: 1 month ago)
- Factory Lead Time8 Weeks
- Number of Pins0
- SeriesµModule®
- Published2015
- Part StatusActive
- Moisture Sensitivity Level (MSL)1 (Unlimited)
- TypeInterface
- Base Part NumberLTM2889
- FunctionDigital Isolator
- Utilized IC / PartLTM2889-3
- Supplied ContentsBoard(s)
- Secondary AttributesCAN Interface
- RoHS StatusROHS3 Compliant
0 Similar Products Remaining
Technical Documents


Product
Brand
Articles
Tools













