Linear Technology/Analog Devices DC1905AEVAL BOARD BUCK REG LTM4633
Description
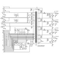
The Analog Devices DC1905A-A Demonstration Board is a powerful industrial power supply designed to showcase the capabilities of the LTM4633 High Efficiency Triple 10A Step-Down Module Regulator. This board is capable of providing up to 30A of continuous output current and up to 40A of peak output current. It features a wide input voltage range of 4.5V to 36V, adjustable output voltage from 0.6V to 28V, and a high efficiency of up to 95%. The board also includes a variety of protection features such as over-voltage, over-current, and thermal protection. This board is ideal for applications requiring high power density, high efficiency, and reliable operation.
Specifications
Linear Technology/Analog Devices technical specifications, attributes, parameters and parts with similar specifications to Linear Technology/Analog Devices .
- TypeParameter
- Factory Lead Time8 Weeks
- SeriesµModule®
- Published2011
- Part StatusActive
- Moisture Sensitivity Level (MSL)1 (Unlimited)
- Voltage - Output1V 1.2V 3.3V
- Utilized IC / PartLTM4633
- Supplied ContentsBoard(s)
- Board TypeFully Populated
- Main PurposeDC/DC, Step Down
- Outputs and Type3, Non-Isolated
- Regulator TopologyBuck
- RoHS StatusROHS3 Compliant
0 Similar Products Remaining
Technical Documents


Product
Brand
Articles
Tools






















