Linear Technology/Analog Devices DC1997A-BBOARD EVAL FOR LTC3838EUHF
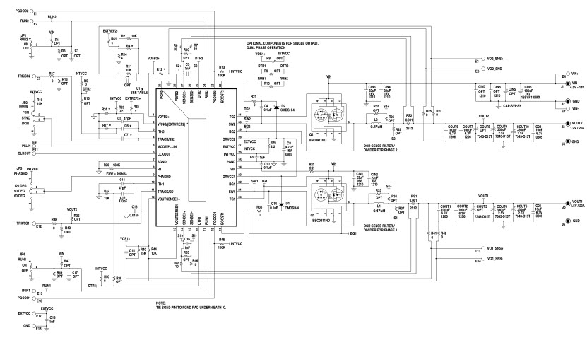
The Analog Devices DC1997A-B Demonstration Board is a versatile platform for evaluating the performance of the LTC3838EUHF-2 high current, dual output synchronous buck converter. This board is designed to provide a reliable and efficient power supply solution for communications and telecom applications. It features two independent outputs, each capable of delivering up to 10A of current, and a wide input voltage range of 4.5V to 28V. The board also includes a variety of features such as adjustable output voltage, adjustable switching frequency, and programmable soft-start. Additionally, the board is equipped with a USB interface for easy monitoring and control of the converter. With its robust design and versatile features, the DC1997A-B is an ideal solution for powering communications and telecom applications.
- TypeParameter
- Factory Lead Time8 Weeks
- Published2011
- Part StatusActive
- Moisture Sensitivity Level (MSL)1 (Unlimited)
- Base Part NumberLTC3838
- Voltage - Output1.2V 1.5V
- Frequency - Switching300kHz
- Utilized IC / PartLTC3838-2
- Supplied ContentsBoard(s)
- Board TypeFully Populated
- Main PurposeDC/DC, Step Down
- Outputs and Type2, Non-Isolated
- Regulator TopologyBuck
- RoHS StatusROHS3 Compliant
| Part Number | Manufacturer | Description | Stock | RFQ |
|---|---|---|---|---|
| Microchip Technology | MICROCHIP - 24LC025-I/ST - SERIAL EEPROM, 2KBIT, 400KHZ, TSSOP-8 | 25 | RFQ |


Product
Brand
Articles
Tools











