Linear Technology/Analog Devices DC2041ABOARD EVAL FOR LTC3255EMSE
Description
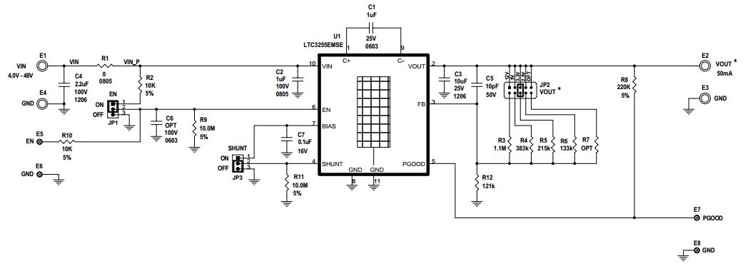
The Analog Devices DC2041A-A Demonstration Board is a versatile power management solution that utilizes the LTC3255EMSE Wide VIN Range Fault Protected 50mA Step-Down Charge Pump Power Management IC. This board is designed to provide a wide input voltage range of 4.5V to 36V, and is capable of delivering up to 50mA of output current. It features a wide range of protection features, including over-voltage, over-current, and short-circuit protection. The board also includes a power-on reset circuit, and a power-good indicator LED. This board is ideal for applications that require a reliable and efficient power management solution.
Specifications
Linear Technology/Analog Devices technical specifications, attributes, parameters and parts with similar specifications to Linear Technology/Analog Devices .
- TypeParameter
- Factory Lead Time8 Weeks
- Published2013
- Part StatusActive
- Moisture Sensitivity Level (MSL)1 (Unlimited)
- Base Part NumberLTC3255
- Voltage - Output3.3V
- Frequency - Switching500kHz
- Utilized IC / PartLTC3255
- Supplied ContentsBoard(s)
- Board TypeFully Populated
- Main PurposeDC/DC, Step Down
- Outputs and Type1, Non-Isolated
- Regulator TopologyBuck
- RoHS StatusROHS3 Compliant
0 Similar Products Remaining
Technical Documents
Associated Products
| Part Number | Manufacturer | Description | Stock | RFQ |
|---|---|---|---|---|
| Analog Devices, Inc. | 0 | RFQ | ||
| Microchip Technology | MICROCHIP - 24LC025-I/ST - SERIAL EEPROM, 2KBIT, 400KHZ, TSSOP-8 | 25 | RFQ | |
| Analog Devices, Inc. | 0 | RFQ | ||
| Analog Devices, Inc. | 0 | RFQ | ||
| Analog Devices, Inc. | 0 | RFQ |


Product
Brand
Articles
Tools














