Linear Technology/Analog Devices DC2070ADEMO BOARD FOR LTC5577
Description
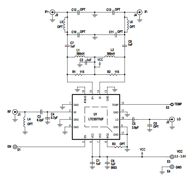
The Analog Devices DC2070A-A, DC2070A Demo Board is a powerful consumer electronics tool designed to help engineers and hobbyists explore the capabilities of the LTC5577, a 300MHz to 6GHz high signal level active down-converting mixer. This demo board features a wide range of features, including a wide frequency range, low noise, high linearity, and low power consumption. It also includes a variety of test points and connectors for easy connection to external test equipment. With its versatile design, the DC2070A-A, DC2070A Demo Board is an ideal choice for a variety of consumer electronics applications.
Specifications
Linear Technology/Analog Devices technical specifications, attributes, parameters and parts with similar specifications to Linear Technology/Analog Devices .
- TypeParameter
- Lifecycle StatusPRODUCTION (Last Updated: 3 months ago)
- Factory Lead Time8 Weeks
- Number of Pins0
- Published2013
- Part StatusActive
- Moisture Sensitivity Level (MSL)1 (Unlimited)
- TypeMixer
- Frequency300MHz~6GHz
- Base Part NumberLTC5577
- Supplied ContentsBoard(s)
- Evaluation KitYes
- REACH SVHCNo SVHC
- RoHS StatusNon-RoHS Compliant
0 Similar Products Remaining


Product
Brand
Articles
Tools













