Linear Technology/Analog Devices DC2094A-ADEMO BOARD FOR LTC2348-18
Description
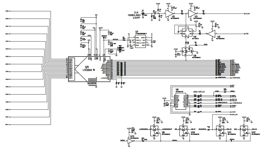
The Analog Devices DC2094A-A Demo Board is designed to demonstrate the capabilities of the LTC2348-18 Octal Simultaneous 18-Bit 200 ksps SAR ADC in the industrial temperature range. This board features a wide range of features, including a high-speed, low-noise, low-power, and low-cost design. It also includes a wide range of input ranges, including ±2.5V, ±5V, and ±10V. The board also includes a variety of output options, including a differential output, a single-ended output, and a digital output. Additionally, the board includes a variety of test points and connectors for easy connection to external devices. This board is ideal for use in industrial applications, such as motor control, data acquisition, and instrumentation.
Specifications
Linear Technology/Analog Devices technical specifications, attributes, parameters and parts with similar specifications to Linear Technology/Analog Devices .
- TypeParameter
- Lifecycle StatusPRODUCTION (Last Updated: 3 weeks ago)
- Factory Lead Time8 Weeks
- Number of Pins0
- PackagingBox
- SeriesSoftSpan™
- Published2012
- Part StatusActive
- Moisture Sensitivity Level (MSL)1 (Unlimited)
- Base Part NumberLTC2348
- InterfaceLVDS, Serial
- Number of Bits18
- Utilized IC / PartLTC2348-18
- Supplied ContentsBoard(s)
- Data InterfaceCMOS, LVDS, Serial
- Sampling Rate200 ksps
- Evaluation KitYes
- Sampling Rate (Per Second)200k
- Number of A/D Converters1
- Input Range±10.24V
- Power (Typ) @ Conditions166mW @ 200kSPS
- REACH SVHCNo SVHC
- RoHS StatusROHS3 Compliant
0 Similar Products Remaining
Technical Documents
Associated Products
| Part Number | Manufacturer | Description | Stock | RFQ |
|---|---|---|---|---|
| ON Semiconductor | ON SEMICONDUCTOR - NL17SZ74USG - Flip-Flop, Complementary, Positive Edge, D, 2.6 ns, 250 MHz, 32 mA, US8 | 947 | RFQ | |
| Analog Devices, Inc. | 0 | RFQ | ||
| Microchip Technology | IC EEPROM 2K I2C 400KHZ 8TSSOP | 0 | RFQ | |
| NXP USA Inc. | I2C GPIO Expander 6V 20-Pin SSOP T/R | 0 | BUY | |
| Analog Devices, Inc. | 0 | RFQ |


Product
Brand
Articles
Tools





















