Linear Technology/Analog Devices DC245A-ABOARD EVAL LTC1668
Description
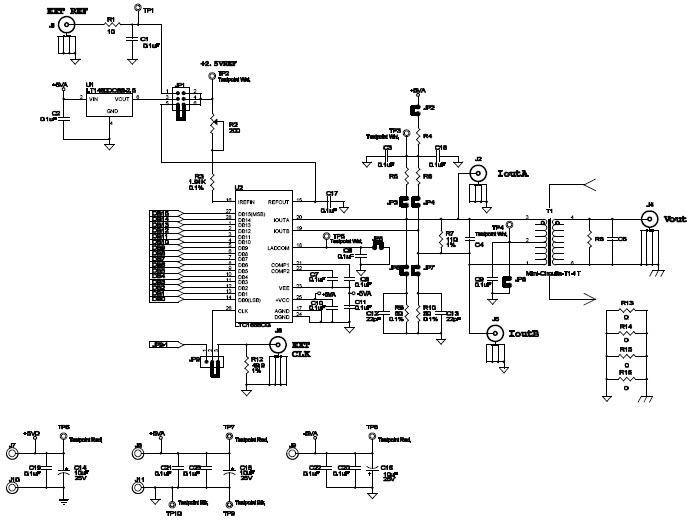
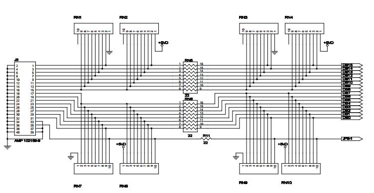
The Analog Devices DC245A-A, LTC1668CG Demo board is a 16-bit, high speed differential current output DAC designed for instrumentation and measurement applications. It features a wide range of output current ranges from 0.5mA to 20mA, and a high speed update rate of up to 1MHz. The board also includes a low noise, low power, low drift, and low offset voltage amplifier, as well as a wide range of digital and analog input/output options. The board is ideal for applications such as precision current sourcing, current loop control, and current measurement. It is also suitable for use in industrial, medical, and automotive applications.
Specifications
Linear Technology/Analog Devices technical specifications, attributes, parameters and parts with similar specifications to Linear Technology/Analog Devices .
- TypeParameter
- Factory Lead Time4 Weeks
- PackagingBox
- Published2000
- Part StatusObsolete
- Moisture Sensitivity Level (MSL)1 (Unlimited)
- Base Part NumberLTC1668
- Number of Bits16
- Utilized IC / PartLTC1668
- Supplied ContentsBoard(s)
- Data InterfaceParallel
- Settling Time20ns
- Sampling Rate (Per Second)50M
- Number of DAC Channels1
- DAC TypeCurrent
0 Similar Products Remaining
Technical Documents
Associated Products
| Part Number | Manufacturer | Description | Stock | RFQ |
|---|---|---|---|---|
| Analog Devices, Inc. | DAC 1-CH Segment 16-bit 28-Pin SSOP T/R | 0 | RFQ | |
| Analog Devices, Inc. | 1331 | RFQ |


Product
Brand
Articles
Tools
















