Linear Technology/Analog Devices DC461ALTC1644 DEMO BOARD
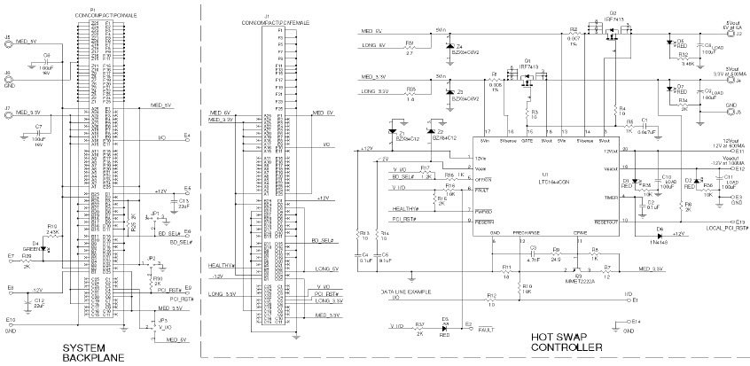
Analog Devices DC461A-A, LTC1644CGN Demo Board is a compact, low-cost, high-performance demonstration board for the LTC1644CGN, a high-performance, low-power, hot-swap controller and system backplane. It is designed to provide a complete solution for hot-swap applications, including communications and telecom boards. The board features a wide range of features, including a high-speed, low-power, hot-swap controller, a system backplane, and a communications and telecom board. It also includes a variety of connectors, including USB, Ethernet, and RS-232, as well as a variety of power connectors. The board is designed to provide a complete solution for hot-swap applications, including communications and telecom boards. It is also designed to be easy to use and configure, with a simple user interface and a comprehensive set of documentation.
- TypeParameter
- Factory Lead Time8 Weeks
- Part StatusActive
- Moisture Sensitivity Level (MSL)1 (Unlimited)
- TypePower Management
- FunctionHot Swap Controller
- Utilized IC / PartLTC1644
- Supplied ContentsBoard(s)
- EmbeddedNo
- RoHS StatusROHS3 Compliant


Product
Brand
Articles
Tools






