Linear Technology/Analog Devices DC575ABOARD DELTA SIGMA ADC LTC2410
Description
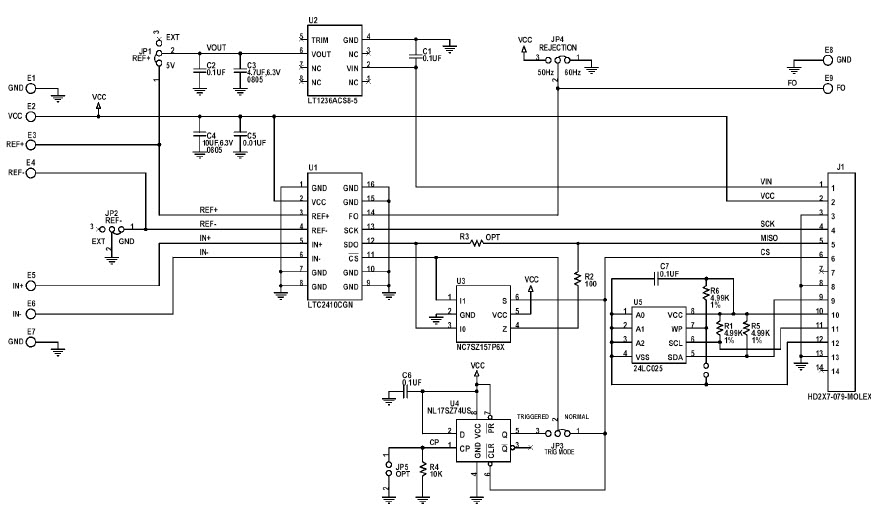
The Analog Devices DC575A-A, DC575A Demo Board for the LTC2410CGN is a high performance analog-to-digital converter designed for instrumentation and measurement applications. It features a 24-bit resolution and a wide input range of ±10V. The board includes a precision voltage reference, a low-noise amplifier, and a programmable gain amplifier, allowing for a wide range of signal conditioning options. The board also includes a USB interface for easy connection to a PC, and a graphical user interface for easy configuration and control. The board is ideal for applications such as data acquisition, industrial process control, and medical instrumentation.
Specifications
Linear Technology/Analog Devices technical specifications, attributes, parameters and parts with similar specifications to Linear Technology/Analog Devices .
- TypeParameter
- Lifecycle StatusPRODUCTION (Last Updated: 3 weeks ago)
- Factory Lead Time8 Weeks
- Number of Pins0
- PackagingBox
- Published2003
- Part StatusActive
- Moisture Sensitivity Level (MSL)1 (Unlimited)
- Base Part NumberLTC2410
- Operating Supply Voltage5V
- InterfaceSPI, Serial
- Number of Bits24
- Utilized IC / PartLTC2410
- Supplied ContentsBoard(s)
- Data InterfaceMICROWIRE™, Serial, SPI™
- Sampling Rate7.5 sps
- Evaluation KitYes
- Sampling Rate (Per Second)7.5
- Number of A/D Converters2
- REACH SVHCNo SVHC
- RoHS StatusROHS3 Compliant
0 Similar Products Remaining
Technical Documents
Associated Products
| Part Number | Manufacturer | Description | Stock | RFQ |
|---|---|---|---|---|
| ON Semiconductor | ON SEMICONDUCTOR - NL17SZ74USG - Flip-Flop, Complementary, Positive Edge, D, 2.6 ns, 250 MHz, 32 mA, US8 | 947 | RFQ | |
| Microchip Technology | EEPROM Serial-I2C 2K-bit 256 x 8 3.3V/5V 8-Pin PDIP Tube | 4520 | BUY | |
| Microchip Technology | EEPROM Serial-I2C 2K-bit 256 x 8 3.3V/5V 8-Pin MSOP Tube | 1175 | RFQ | |
| Microchip Technology | EEPROM Serial-I2C 2K-bit 256 x 8 3.3V/5V 8-Pin TSSOP Tube | 35 | RFQ | |
| Microchip Technology | IC EEPROM 2K I2C 400KHZ 8TSSOP | 0 | RFQ | |
| Microchip Technology | Microchip 24LC025-I/SN Serial EEPROM Memory; 2kbit; 1000ns; 2.5 to 5.5V 8-Pin SOIC | 2 | BUY | |
| ON Semiconductor | ON SEMICONDUCTOR - NC7SZ157P6X - Multiplexer, 1 Channels, 2:1, 1.65 V to 5.5 V, SC-70-6 | 15000 | RFQ | |
| Microchip Technology | EEPROM Serial-I2C 2K-bit 256 x 8 3.3V/5V 8-Pin MSOP Tube | 388 | RFQ | |
| Microchip Technology | EEPROM Serial-I2C 2K-bit 256 x 8 3.3V/5V 8-Pin SOIC N T/R | 35 | RFQ | |
| Microchip Technology | EEPROM Serial-I2C 2K-bit 256 x 8 3.3V/5V 8-Pin TDFN EP T/R | 35 | BUY | |
| Microchip Technology | EEPROM Serial-I2C 2K-bit 256 x 8 3.3V/5V 8-Pin TSSOP T/R | 35 | RFQ |
Load more


Product
Brand
Articles
Tools




















