Linear Technology/Analog Devices DC745ABOARD DELTA SIGMA ADC LTC2433-1
Description
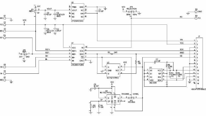
The Analog Devices DC745A-A Demonstration Board for the LTC2433-1 is a 16-bit high performance DS Analog to Digital Converter (ADC) designed for instrumentation and measurement applications. It features a wide input voltage range of 0V to 5V, a low power consumption of only 1.2mA, and a high sampling rate of up to 1MSPS. The board also includes a built-in reference voltage of 2.5V, a temperature sensor, and a USB interface for easy connection to a PC. The board is ideal for applications such as data acquisition, signal conditioning, and instrumentation. It is also compatible with a variety of software packages, making it easy to integrate into existing systems.
Specifications
Linear Technology/Analog Devices technical specifications, attributes, parameters and parts with similar specifications to Linear Technology/Analog Devices .
- TypeParameter
- Lifecycle StatusPRODUCTION (Last Updated: 3 weeks ago)
- Factory Lead Time8 Weeks
- Number of Pins0
- PackagingBox
- Published2004
- Part StatusActive
- Moisture Sensitivity Level (MSL)1 (Unlimited)
- Base Part NumberLTC2433
- InterfaceSPI, Serial
- Number of Bits16
- Utilized IC / PartLTC2433-1
- Supplied ContentsBoard(s)
- Data InterfaceMICROWIRE™, Serial, SPI™
- Sampling Rate6.8 sps
- Evaluation KitYes
- Sampling Rate (Per Second)6.8
- Number of A/D Converters2
- REACH SVHCNo SVHC
- RoHS StatusROHS3 Compliant
0 Similar Products Remaining
Technical Documents
Associated Products
| Part Number | Manufacturer | Description | Stock | RFQ |
|---|---|---|---|---|
| Microchip Technology | EEPROM Serial-I2C 2K-bit 256 x 8 3.3V/5V 8-Pin PDIP Tube | 4520 | BUY | |
| Microchip Technology | IC EEPROM 2KBIT 400KHZ 8TSSOP | 200 | RFQ | |
| Microchip Technology | IC EEPROM 2K I2C 400KHZ 8SOIC | 768 | RFQ | |
| Microchip Technology | IC EEPROM 2K I2C 400KHZ 8DFN | 44 | RFQ | |
| Microchip Technology | EEPROM Serial-I2C 2K-bit 256 x 8 3.3V/5V 8-Pin MSOP Tube | 3566 | RFQ | |
| Microchip Technology | EEPROM Serial-I2C 2K-bit 256 x 8 3.3V/5V 8-Pin MSOP T/R | 35 | RFQ | |
| Microchip Technology | EEPROM Serial-I2C 2K-bit 256 x 8 3.3V/5V 8-Pin SOIC N T/R | 35 | RFQ | |
| Microchip Technology | EEPROM Serial-I2C 2K-bit 256 x 8 3.3V/5V 8-Pin TDFN EP T/R | 35 | BUY | |
| Microchip Technology | EEPROM Serial-I2C 2K-bit 256 x 8 3.3V/5V 8-Pin TSSOP T/R | 35 | RFQ | |
| Microchip Technology | IC EEPROM 2K I2C 400KHZ 8TDFN | 0 | RFQ |


Product
Brand
Articles
Tools


















