Linear Technology/Analog Devices DC798BBOARD DELTA SIGMA ADC LTC2480
Description
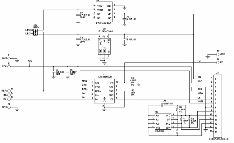
The Analog Devices DC798B-B Demonstration Circuit is a versatile platform for evaluating the performance of the LTC2480, a 16-bit high performance DS analog-to-digital converter. This circuit is designed to operate over an industrial temperature range, making it suitable for a wide range of applications. The DC798B-B features a wide input voltage range, low power consumption, and high accuracy. It also includes a variety of features such as a programmable gain amplifier, a reference buffer, and a temperature sensor. The circuit is designed to be easy to use and provides a comprehensive set of evaluation tools to help users quickly evaluate the performance of the LTC2480.
Specifications
Linear Technology/Analog Devices technical specifications, attributes, parameters and parts with similar specifications to Linear Technology/Analog Devices .
- TypeParameter
- Lifecycle StatusPRODUCTION (Last Updated: 4 weeks ago)
- Factory Lead Time8 Weeks
- Number of Pins0
- PackagingBox
- Published2005
- Part StatusActive
- Moisture Sensitivity Level (MSL)1 (Unlimited)
- Base Part NumberLTC2480
- InterfaceSPI, Serial
- Number of Bits16
- Utilized IC / PartLTC2480
- Supplied ContentsBoard(s)
- Data InterfaceMICROWIRE™, Serial, SPI™
- Sampling Rate7.5 sps
- Evaluation KitYes
- Sampling Rate (Per Second)7.5
- Number of A/D Converters1
- REACH SVHCNo SVHC
- RoHS StatusROHS3 Compliant
0 Similar Products Remaining
Technical Documents
Associated Products
| Part Number | Manufacturer | Description | Stock | RFQ |
|---|---|---|---|---|
| Microchip Technology | EEPROM Serial-I2C 2K-bit 256 x 8 3.3V/5V 8-Pin PDIP Tube | 4520 | BUY | |
| Microchip Technology | 24LC025 Series 2 Kb I2C 2 Wire (256 x 8) 2.5 V Serial EEPROM SMT - SOIC-8 | 14 | BUY | |
| Microchip Technology | IC EEPROM 2K I2C 400KHZ SOT23-6 | 9052 | BUY | |
| Microchip Technology | EEPROM Serial-I2C 2K-bit 256 x 8 3.3V/5V 8-Pin MSOP Tube | 3566 | RFQ | |
| Microchip Technology | EEPROM Serial-I2C 2K-bit 256 x 8 3.3V/5V 8-Pin TSSOP Tube | 27 | RFQ | |
| Microchip Technology | EEPROM Serial-I2C 2K-bit 256 x 8 3.3V/5V 8-Pin MSOP Tube | 619 | RFQ | |
| Microchip Technology | EEPROM Serial-I2C 2K-bit 256 x 8 3.3V/5V 8-Pin MSOP T/R | 27 | RFQ | |
| Microchip Technology | EEPROM Serial-I2C 2K-bit 256 x 8 3.3V/5V 8-Pin SOIC N T/R | 27 | RFQ | |
| Microchip Technology | EEPROM Serial-I2C 2K-bit 256 x 8 3.3V/5V 8-Pin TSSOP T/R | 27 | RFQ | |
| Microchip Technology | MICROCHIP - 24LC025-I/ST - SERIAL EEPROM, 2KBIT, 400KHZ, TSSOP-8 | 25 | RFQ | |
| Analog Devices, Inc. | 0 | RFQ |
Load more


Product
Brand
Articles
Tools

















