Linear Technology/Analog Devices DC930ABOARD DEMO FOR LTC4001EUF
Description
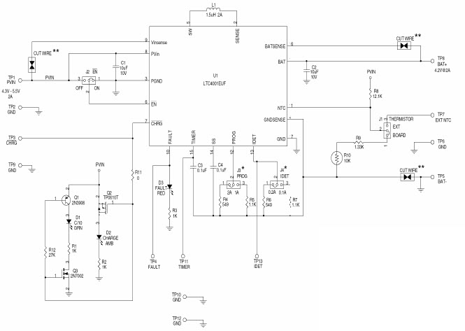
The Analog Devices DC930A-A LTC4001 Demo Board is a single Li-ion cell/battery charge controller with built in charge termination, designed for video and imaging products. It features a wide input voltage range of 4.5V to 28V, and a programmable charge current up to 1.5A. The board also includes a charge status LED, a power switch, and a USB port for programming and monitoring. The LTC4001 Demo Board is designed to provide a simple and efficient way to charge Li-ion cells and batteries, and is ideal for use in video and imaging products.
Specifications
Linear Technology/Analog Devices technical specifications, attributes, parameters and parts with similar specifications to Linear Technology/Analog Devices .
- TypeParameter
- Lifecycle StatusPRODUCTION (Last Updated: 3 months ago)
- Factory Lead Time8 Weeks
- Number of Pins0
- Part StatusActive
- Moisture Sensitivity Level (MSL)1 (Unlimited)
- TypePower Management
- FunctionBattery Charger
- Utilized IC / PartLTC4001
- Supplied ContentsBoard(s)
- EmbeddedNo
- RoHS StatusROHS3 Compliant
0 Similar Products Remaining
Technical Documents
Associated Products
| Part Number | Manufacturer | Description | Stock | RFQ |
|---|---|---|---|---|
| Microchip Technology | MICROCHIP - 24LC025-I/ST - SERIAL EEPROM, 2KBIT, 400KHZ, TSSOP-8 | 25 | RFQ |


Product
Brand
Articles
Tools










