Maxim Integrated 78Q8430-ARM9-EVMEVALUATION MODULE 78Q8430 ARM9
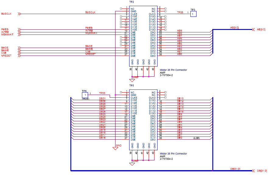
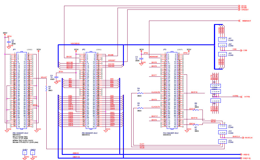
Control (CEC) and High Definition Multimedia Interface (HDMI) daughter cards. It is based on the ARM9 processor, 78Q8430, and is designed to provide a complete platform for the development of embedded systems. The board includes a 10/100BASE-TX Ethernet port, two USB 2.0 ports, two RS-232 ports, one CAN port, one JTAG port, one SD/MMC card slot, one LCD port, one audio port, one camera port, one touch panel port, one power port, and one reset button. It also includes a 10/100BASE-TX MAC+PHY Embest S3CEB2410 daughter card, Consumer Electronics Control (CEC) and High Definition Multimedia Interface (HDMI) daughter cards. The board is designed to provide a complete platform for the development of embedded systems. It is ideal for applications such as industrial automation, medical equipment, consumer electronics, and automotive applications.
- TypeParameter
- Package / CaseModule
- Published2008
- Part StatusDiscontinued
- Moisture Sensitivity Level (MSL)1 (Unlimited)
- TypeInterface
- FunctionEthernet Controller (PHY and MAC)
- Utilized IC / Part78Q8430
- Supplied ContentsBoard(s)
- Evaluation KitYes
- Radiation HardeningNo
- RoHS StatusROHS3 Compliant


Product
Brand
Articles
Tools













