Microchip Technology KSZ8873MML-EVALBOARD EVALUATION FOR KSZ8873MML
Description
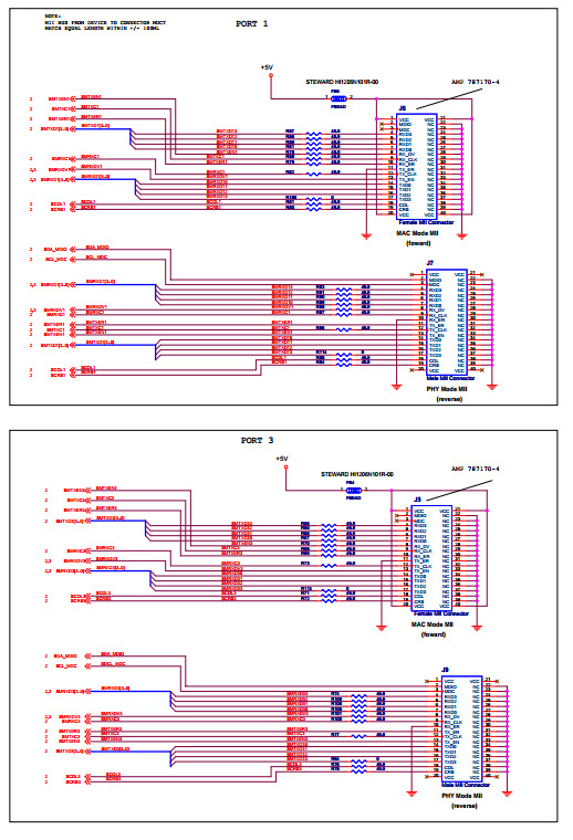
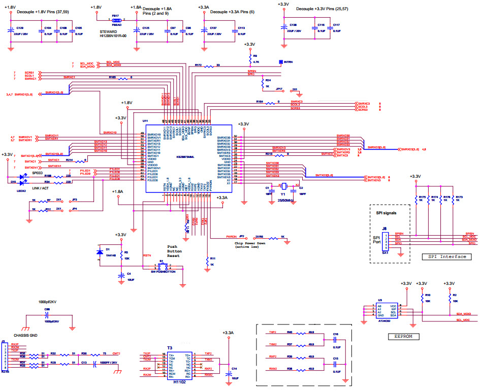
The Microchip Technology KSZ8873MML-EVAL is an evaluation board that uses the KSZ8873MML Ethernet Switch 3-Port 10Mbps/100Mbps for consumer electronics. It is designed to help engineers evaluate the performance of the KSZ8873MML Ethernet Switch and its features. The board includes a 3-port 10/100 Mbps Ethernet switch, a USB-to-serial converter, and a power supply. It also includes a set of LEDs to indicate the status of the Ethernet ports and the power supply. The board is designed to be used with a PC or laptop, and it is compatible with Windows, Linux, and Mac OS X operating systems. The board is also RoHS compliant and is designed to meet the requirements of the European Union's Restriction of Hazardous Substances (RoHS) Directive.
Specifications
Microchip Technology technical specifications, attributes, parameters and parts with similar specifications to Microchip Technology .
- TypeParameter
- Package / Case100
- MountCable
- Published2009
- PackagingBulk
- Part StatusDiscontinued
- Moisture Sensitivity Level (MSL)1 (Unlimited)
- TypeInterface
- Max Operating Temperature70°C
- Min Operating Temperature0°C
- Base Part NumberKSZ8873
- FunctionEthernet Controller (PHY and MAC)
- Utilized IC / PartKSZ8873MML
- Supplied ContentsBoard(s)
- Evaluation KitYes
- EmbeddedNo
- RoHS StatusROHS3 Compliant
- REACH SVHCNo SVHC
- Lead FreeLead Free
0 Similar Products Remaining
Technical Documents
Associated Products
| Part Number | Manufacturer | Description | Stock | RFQ |
|---|---|---|---|---|
| Microchip | 3.0A LDO ADJ. SHUTDOWN | 0 | RFQ | |
| Microchip Technology | IC REG LINEAR POS ADJ 3A TO220-5 | 395 | RFQ |


Product
Brand
Articles
Tools


















