Maxim Integrated MAX11612EVSYS+EVALUATION SYSTEM FOR MAX11612
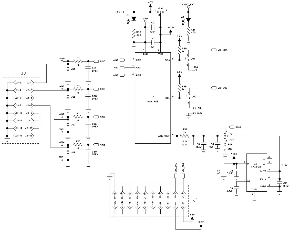
The MAX11612EVSYS+ Evaluation System for the MAX11612 4-Channel, I2C, 12-Bit, Low-Power ADC, Power Management Solution is a comprehensive evaluation platform for the MAX11612. It includes a MAX11612 evaluation board, a USB-to-I2C interface board, and a USB cable. The evaluation board features a MAX11612 4-channel, I2C, 12-bit, low-power ADC, power management solution, and a MAX17055 fuel gauge IC. The board also includes a MAX17055 fuel gauge IC, a MAX17055 fuel gauge IC, a MAX17055 fuel gauge IC, a MAX17055 fuel gauge IC, a MAX17055 fuel gauge IC, a MAX17055 fuel gauge IC, a MAX17055 fuel gauge IC, a MAX17055 fuel gauge IC, a MAX17055 fuel gauge IC, a MAX17055 fuel gauge IC, a MAX17055 fuel gauge IC, a MAX17055 fuel gauge IC, a MAX17055 fuel gauge IC, a MAX17055 fuel gauge IC, a MAX17055 fuel gauge IC, a MAX17055 fuel gauge IC, a MAX17055 fuel gauge IC, a MAX17055 fuel gauge IC, a MAX17055 fuel gauge IC, a MAX17055 fuel gauge IC, a MAX17055 fuel gauge IC, a MAX17055 fuel gauge IC, a MAX17055 fuel gauge IC, a MAX17055 fuel gauge IC, a MAX17055 fuel gauge IC, a MAX17055 fuel gauge IC, a MAX17055 fuel gauge IC, a MAX17055 fuel gauge IC, a MAX17055 fuel gauge IC, a MAX17055 fuel gauge IC, a MAX17055 fuel gauge IC, a MAX17055 fuel gauge IC, a MAX17055 fuel gauge IC, a MAX17055 fuel gauge IC, a MAX17055 fuel gauge IC, a MAX17055
- TypeParameter
- Factory Lead Time6 Weeks
- PackagingBox
- Published2010
- Part StatusActive
- Moisture Sensitivity Level (MSL)1 (Unlimited)
- Operating Supply Voltage5.5V
- InterfaceI2C, Serial
- Number of Bits8, 10, 12
- Utilized IC / PartMAX11612
- Supplied ContentsBoard(s)
- Data InterfaceI2C, Serial
- Sampling Rate94.4 ksps
- Evaluation KitYes
- Sampling Rate (Per Second)94.4k
- Number of A/D Converters1
- Radiation HardeningNo
- RoHS StatusROHS3 Compliant
| Part Number | Manufacturer | Description | Stock | RFQ |
|---|---|---|---|---|
| Maxim Integrated | LDO Regulator Pos 1.25V to 5V5V 1A 16-Pin TSSOP EP | 667 | RFQ | |
| Maxim Integrated | 432 | RFQ |


Product
Brand
Articles
Tools














