Maxim Integrated MAX14001EVSYS#EVAL FOR MAX14001
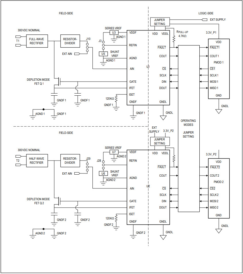
The MAX14001EVSYS# Evaluation System for the MAX14001 Configurable, Isolated 10-bit ADC for Multi-Range Binary Inputs, Communications and Telecom Applications is a comprehensive evaluation platform for the MAX14001 ADC. It includes a MAX14001EVSYS# evaluation board, a MAX14001EVKIT# evaluation kit, and a MAX14001EVGUI# graphical user interface. The evaluation board provides a complete system for evaluating the performance of the MAX14001 ADC, including a power supply, a signal generator, and a digital oscilloscope. The evaluation kit includes a MAX14001EVKIT# evaluation board, a MAX14001EVGUI# graphical user interface, and a MAX14001EVKIT# software package. The graphical user interface allows users to quickly and easily configure the MAX14001 ADC for their specific application. The software package provides a comprehensive set of tools for testing and evaluating the performance of the MAX14001 ADC. The MAX14001EVSYS# Evaluation System is an ideal platform for evaluating the performance of the MAX14001 ADC for communications and telecom applications.
- TypeParameter
- Factory Lead Time6 Weeks
- PackagingBulk
- Published2016
- Part StatusActive
- Moisture Sensitivity Level (MSL)1 (Unlimited)
- Base Part NumberMAX14001
- Number of Bits10
- Utilized IC / PartMAX14001
- Supplied ContentsBoard(s)
- Data InterfaceSPI
- Sampling Rate (Per Second)10k
- Number of A/D Converters1
- Input Range0 ~ VREF
- RoHS StatusROHS3 Compliant
| Part Number | Manufacturer | Description | Stock | RFQ |
|---|---|---|---|---|
| C&K | SWITCH PUSH SPST-NO 0.025A 50V | 714 | BUY | |
| Texas Instruments | TEXAS INSTRUMENTS - SN65HVD230D . - Bus CAN, CAN, 1, 1, 3 V, 3.6 V, SOIC | 91 | RFQ |


Product
Brand
Articles
Tools



























