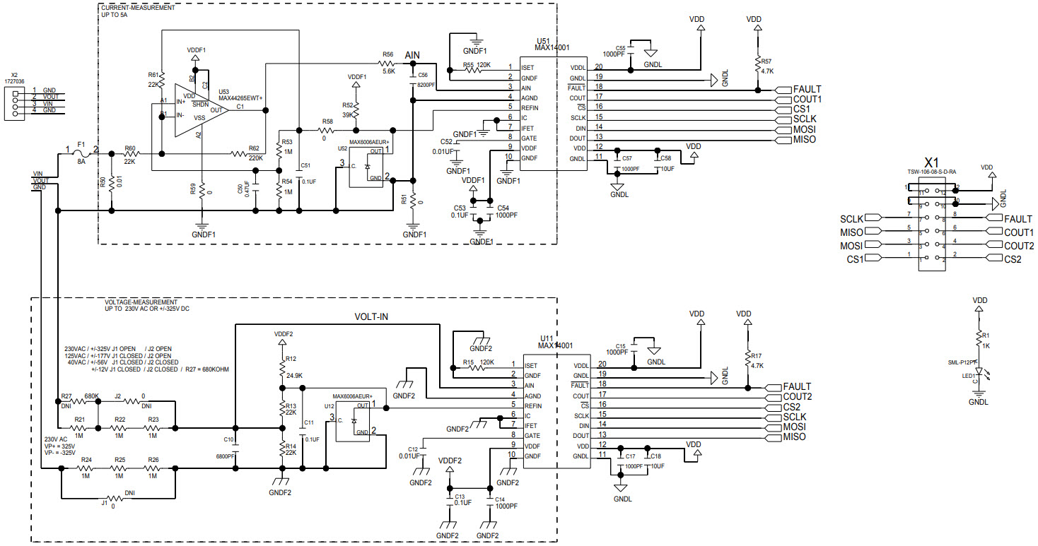
Maxim Integrated MAX14001PMB#PERIPHERAL MODULE THAT PROVIDES
The MAX14001PMB-PMB# Peripheral Module for the MAX14001 Configurable, Isolated 10-bit ADC for Multi-Range Binary Inputs, Communications and Telecom from Maxim Integrated is a versatile and reliable solution for a wide range of applications. This module features a 10-bit ADC with a wide range of input ranges, allowing for a variety of applications. It also features an isolated power supply, allowing for a safe and reliable operation. Additionally, it has a wide range of communication protocols, including RS-232, RS-485, and CAN, making it suitable for a variety of communication and telecom applications. The module also features a variety of protection features, including over-voltage, over-current, and short-circuit protection, ensuring a safe and reliable operation.
- TypeParameter
- Factory Lead Time6 Weeks
- Published2017
- Part StatusActive
- Moisture Sensitivity Level (MSL)1 (Unlimited)
- TypeData Acquisition
- FunctionAnalog to Digital Converter (ADC)
- Utilized IC / PartMAX14001
- ContentsBoard(s)
- PlatformPmod™
- RoHS StatusROHS3 Compliant
| Part Number | Manufacturer | Description | Stock | RFQ |
|---|---|---|---|---|
| Maxim Integrated | IC VREF SERIES 2.048V 8UMAX | 5000 | RFQ |


Product
Brand
Articles
Tools












