Maxim Integrated MAX14727EVKIT#OVERVOLTG PROTECTOR EVAL MAX1472
Description
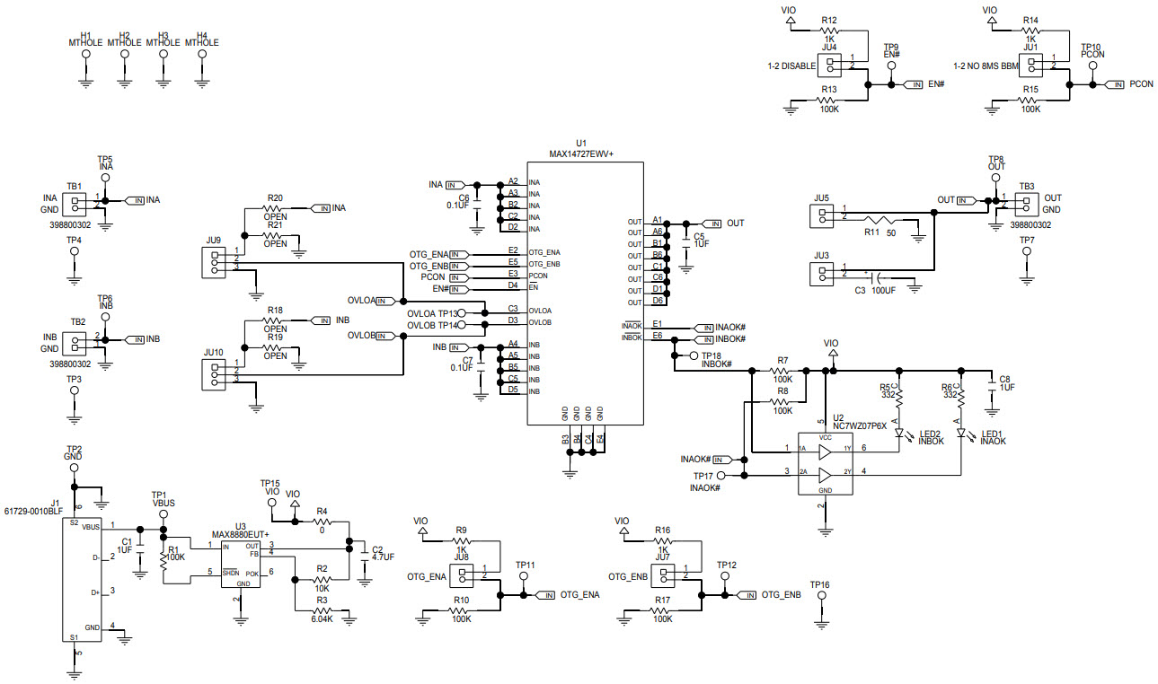
The Maxim Integrated MAX14727EVKIT-EVKIT# is an evaluation kit for the MAX14728 Dual-Input, Bidirectional Overvoltage Protector with Automatic Path Control. This kit is designed for use in consumer electronics applications and provides a convenient way to evaluate the performance of the MAX14728. It includes a MAX14727EVKIT# board, a MAX14728 IC, and a USB cable for connecting the board to a PC. The board also features a USB-to-UART bridge, a voltage regulator, and a power switch. The MAX14727EVKIT-EVKIT# allows users to quickly and easily evaluate the MAX14728's features, such as its overvoltage protection, automatic path control, and bidirectional protection.
Specifications
Maxim Integrated technical specifications, attributes, parameters and parts with similar specifications to Maxim Integrated .
- TypeParameter
- Factory Lead Time6 Weeks
- Published2015
- Part StatusActive
- Moisture Sensitivity Level (MSL)1 (Unlimited)
- TypeCircuit Protection
- FunctionOvervoltage
- Utilized IC / PartMAX14727
- Supplied ContentsBoard(s)
- RoHS StatusROHS3 Compliant
0 Similar Products Remaining
Technical Documents
Associated Products
| Part Number | Manufacturer | Description | Stock | RFQ |
|---|---|---|---|---|
| Analog Devices | IC REG LINEAR POS ADJ 200MA SOT6 | 0 | RFQ |


Product
Brand
Articles
Tools







