Maxim Integrated MAX14670EVKIT#EVAL KIT FOR MAX14671 (BIDIRECTI
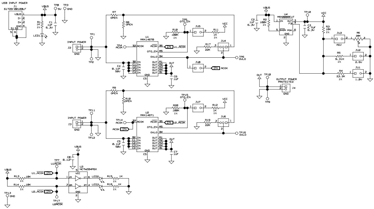
The Maxim Integrated MAX14670EVKIT-EVKIT# is an evaluation kit for the MAX14670 and MAX14671 Bidirectional Current-Blocking, High-Input Overvoltage Protector with Adjustable OVLO, Consumer Electronics Protection ICs. This kit provides a complete platform for evaluating the features and performance of the MAX14670 and MAX14671 ICs. It includes a MAX14670EVKIT# board, a MAX14671EVKIT# board, and a MAX14670EVKIT#-MAX14671EVKIT# adapter board. The MAX14670EVKIT# board features a MAX14670 IC, while the MAX14671EVKIT# board features a MAX14671 IC. The adapter board allows the two boards to be connected together. The kit also includes a USB cable, a power supply, and a user guide. This evaluation kit is ideal for testing and evaluating the features and performance of the MAX14670 and MAX14671 ICs in consumer electronics applications.
- TypeParameter
- Factory Lead Time6 Weeks
- Part StatusActive
- Moisture Sensitivity Level (MSL)1 (Unlimited)
- RoHS StatusNon-RoHS Compliant
| Part Number | Manufacturer | Description | Stock | RFQ |
|---|---|---|---|---|
| Maxim | Smallest Complete Port Detection Devices to Support USB and Apple Chargers | 0 | RFQ |


Product
Brand
Articles
Tools








