Maxim Integrated MAX15068EVKIT#EVKIT FOR DUAL ORING, SINGLE HOT
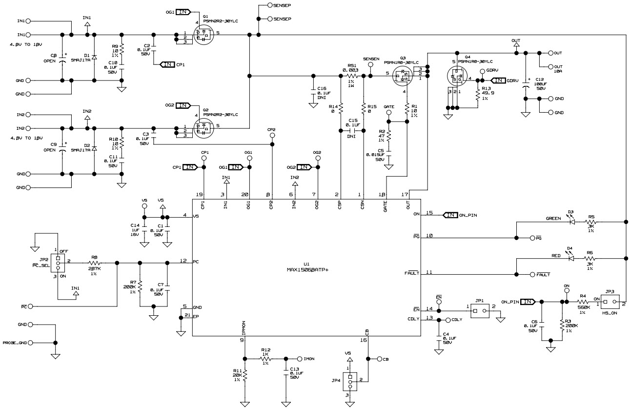
The MAX15068EVKIT-EVKIT# is an evaluation kit for the MAX15068 Dual ORing, Single Hot-Swap Controller with Accurate Current Monitoring. This kit is designed to help engineers evaluate the performance of the MAX15068 controller in their applications. The kit includes a MAX15068 evaluation board, a USB-to-I2C interface board, and a USB cable. The evaluation board features two independent hot-swap controllers, each with an ORing FET, current monitoring, and adjustable current limit. The board also includes a power supply, a voltage regulator, and a temperature sensor. The USB-to-I2C interface board allows engineers to easily program and debug the MAX15068 controller. The kit is ideal for evaluating the performance of the MAX15068 controller in applications such as servers, storage systems, and other computer peripherals.
- TypeParameter
- Part StatusActive
- Moisture Sensitivity Level (MSL)1 (Unlimited)
- RoHS StatusNon-RoHS Compliant


Product
Brand
Articles
Tools








