Maxim Integrated MAX32621-EVKIT#MAX32621 EVAL BRD
Description
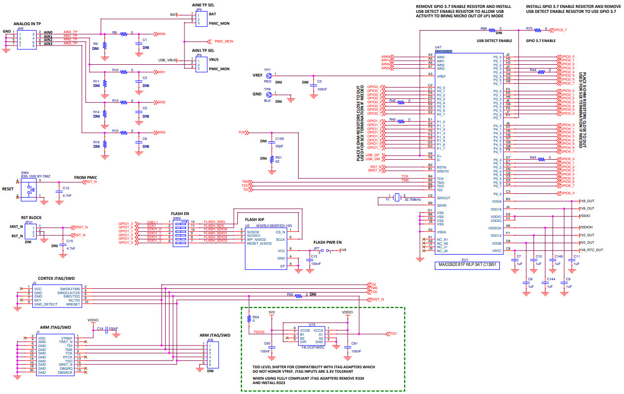
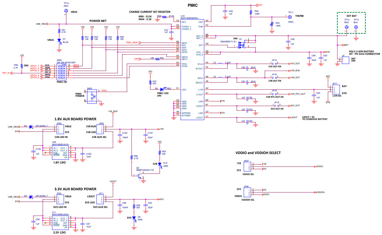
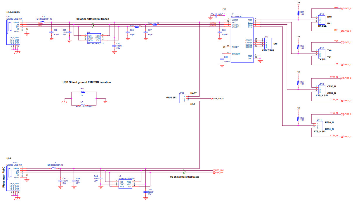
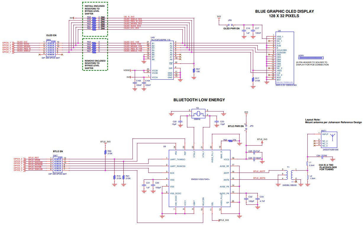
The MAX32621-EVKIT is an evaluation kit for the MAX32621 Ultra-Low-Power Arm Cortex-M4 with FPU-Based Microcontroller (MCU). This MCU is designed for medical and healthcare applications, providing a high level of performance and power efficiency. The kit includes a MAX32621 MCU, a USB-based debug interface, and a variety of peripherals and sensors. It also includes a comprehensive set of software tools and documentation to help developers quickly get up and running. The MAX32621-EVKIT is an ideal platform for developing medical and healthcare applications that require low power consumption and high performance.
Specifications
Maxim Integrated technical specifications, attributes, parameters and parts with similar specifications to Maxim Integrated .
- TypeParameter
- Factory Lead Time6 Weeks
- Mounting TypeFixed
- SeriesDARWIN
- Part StatusActive
- Moisture Sensitivity Level (MSL)1 (Unlimited)
- TypeMCU 32-Bit
- Core ProcessorARM® Cortex®-M4
- Utilized IC / PartMAX32621
- ContentsBoard(s), Cable(s), Accessories, ARM-USB-TINY-H Programmer
- Board TypeEvaluation Platform
- RoHS StatusROHS3 Compliant
0 Similar Products Remaining
Technical Documents
Associated Products
| Part Number | Manufacturer | Description | Stock | RFQ |
|---|---|---|---|---|
| FTDI, Future Technology Devices International Ltd | IC USB SERIAL BASIC UART 16SSOP | 12 | RFQ | |
| Nexperia USA Inc. | TXRX 8BIT TRANSLATING 24TSSOP | 400 | BUY | |
| Nexperia USA Inc. | IC TRNSLTR BIDIRECTIONAL 8VSSOP | 2951 | BUY |


Product
Brand
Articles
Tools



























