NXP USA Inc. FRDM-KL28ZKinetis L KL28 Microcontroller Freedom Development Platform
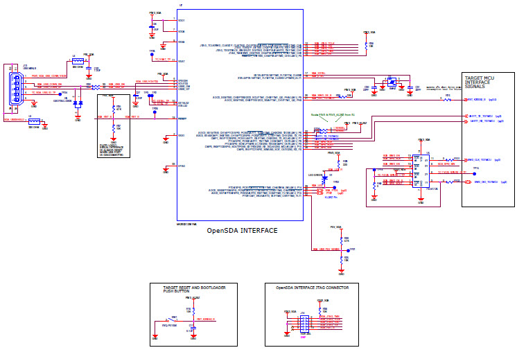
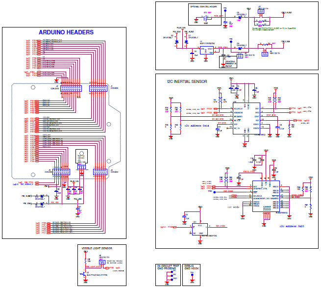
The NXP Semiconductors FRDM-KL28Z FRDM Development Platform is a powerful and versatile development platform for the MKL28Z512VLL7 Kinetis KL28 MCU. It is designed for instrumentation and measurement applications, providing a wide range of features and capabilities. It includes a comprehensive set of peripherals, including a 12-bit ADC, a 12-bit DAC, a 32-bit timer, a 16-bit PWM, and a UART. It also includes a range of communication interfaces, including USB, CAN, and I2C. The platform also includes a range of development tools, such as the Kinetis Design Studio IDE, the Kinetis SDK, and the Kinetis Studio. The platform is designed to be easy to use and provides a comprehensive set of features and capabilities for instrumentation and measurement applications.
- TypeParameter
- Factory Lead Time7 Weeks
- Mounting TypeFixed
- SeriesKinetis
- Part StatusActive
- Moisture Sensitivity Level (MSL)1 (Unlimited)
- TypeMCU 32-Bit
- Core ProcessorARM® Cortex®-M0+
- Utilized IC / PartKL28
- ContentsBoard(s), Cable(s)
- Board TypeEvaluation Platform
- PlatformFreedom
- RoHS StatusROHS3 Compliant
| Part Number | Manufacturer | Description | Stock | RFQ |
|---|---|---|---|---|
| ON Semiconductor | IC REG LINEAR 3.3V 1A SOT223 | 12000 | RFQ | |
| Nexperia USA Inc. | IC BUFFER NON-INVERT 3.6V 14SO | 10000 | BUY | |
| Everlight Electronics Co Ltd | LIGHT SENSOR AMBIENT SMD | 4000 | BUY | |
| NXP USA Inc. | NXP - MK20DX128VFM5 - MCU, 32BIT, CORTEX-M4, 50MHZ, QFN-32 | 0 | RFQ | |
| ON Semiconductor | IC INVERTER SGL UNBUFFER SOT353 | 0 | BUY | |
| NXP USA Inc. | Kinetis KL28: 72MHz Cortex-M0 Ultra-Low Power MCU, 512KB Flash, 128KB SRAM, 100-LQFP | 20 | RFQ | |
| Nexperia USA Inc. | IC BUFF NON-INVERT 3.6V 14DHVQFN | 2846 | RFQ | |
| Nexperia USA Inc. | IC BUFF NON-INVERT 3.6V 14DHVQFN | 9 | BUY | |
| NXP USA Inc. | Buffers & Line Drivers Quadbufferline drvr w/5V input/outputs | 0 | RFQ |


Product
Brand
Articles
Tools





























