Maxim Integrated MAX32625-EVKIT#MAX32625 EVAL BRD
Description
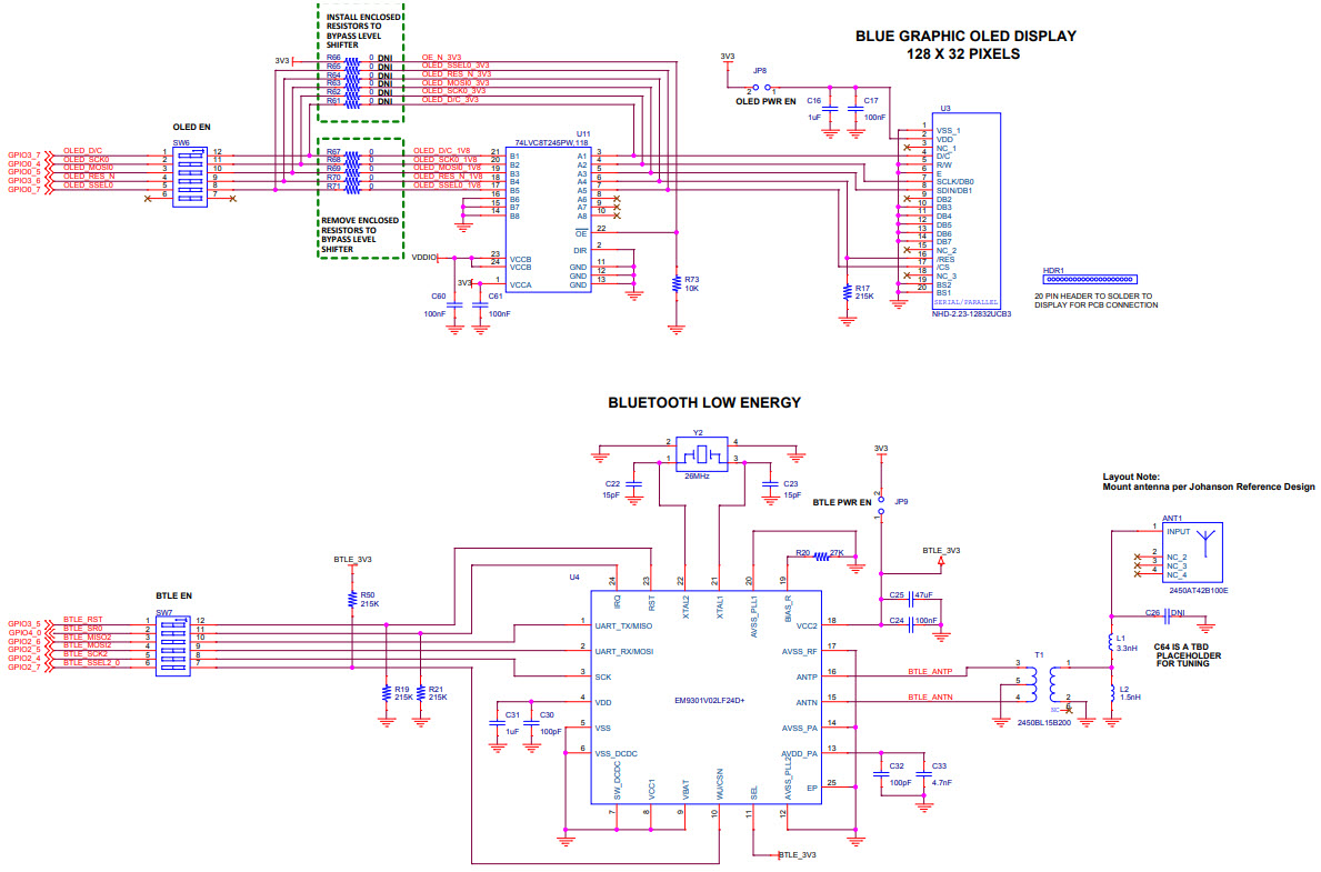
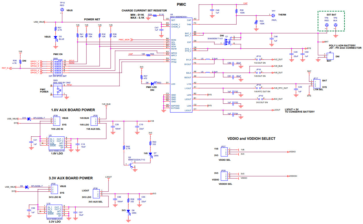
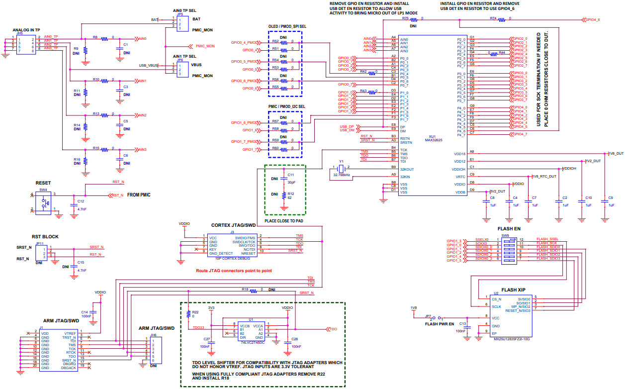
The MAX32625-EVKIT# is an evaluation kit for the MAX32625 Ultra-Low-Power Arm Cortex-M4 with FPU-Based Microcontroller (MCU). This MCU is designed for medical and healthcare applications, and is capable of running at low power consumption while providing high performance. The kit includes a MAX32625 MCU, a USB-based debug interface, a power supply, and a variety of peripherals. It also includes a range of software tools and example applications to help developers get started quickly. The kit is ideal for prototyping and testing medical and healthcare applications, and can be used to develop a wide range of products.
Specifications
Maxim Integrated technical specifications, attributes, parameters and parts with similar specifications to Maxim Integrated .
- TypeParameter
- Factory Lead Time6 Weeks
- Mounting TypeFixed
- SeriesDARWIN
- Published2016
- Part StatusActive
- Moisture Sensitivity Level (MSL)1 (Unlimited)
- TypeMCU 32-Bit
- Base Part NumberMAX32625
- Number of Bits32
- Utilized IC / PartMAX32625
- Evaluation KitYes
- Core ArchitectureARM
- ContentsBoard(s)
- Board TypeEvaluation Platform
- REACH SVHCNo SVHC
- RoHS StatusROHS3 Compliant
0 Similar Products Remaining
Technical Documents
Associated Products
| Part Number | Manufacturer | Description | Stock | RFQ |
|---|---|---|---|---|
| FTDI, Future Technology Devices International Ltd | IC USB SERIAL BASIC UART 16SSOP | 12 | RFQ | |
| Maxim Integrated | IC REG LIN POS ADJ 500MA 8UMAX | 1000 | RFQ | |
| Nexperia USA Inc. | TXRX 8BIT TRANSLATING 24TSSOP | 400 | BUY | |
| Abracon LLC | CRYSTAL 32.7680KHZ 6PF SMD | 36300 | RFQ | |
| Abracon LLC | Crystal 26MHz ±10ppm (Tol) ±10ppm (Stability) 10pF FUND 50Ohm 4-Pin Ultra Mini-CSMD T/R | 36200 | BUY |


Product
Brand
Articles
Tools































