STMicroelectronics STM32F401C-DISCOSTMICROELECTRONICS STM32F401C-DISCODEV BOARD, STM32F401 LINE CORTEX-M4 MCU
Description
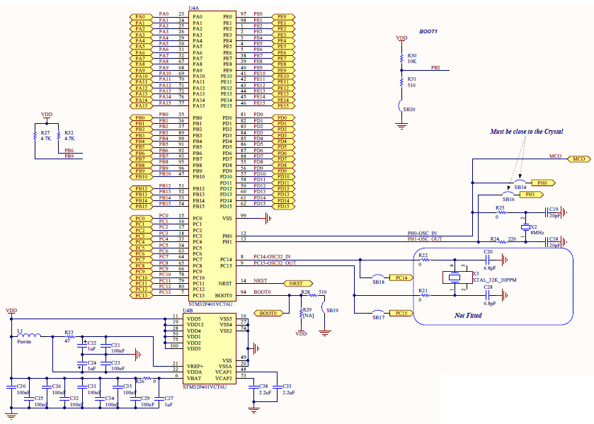
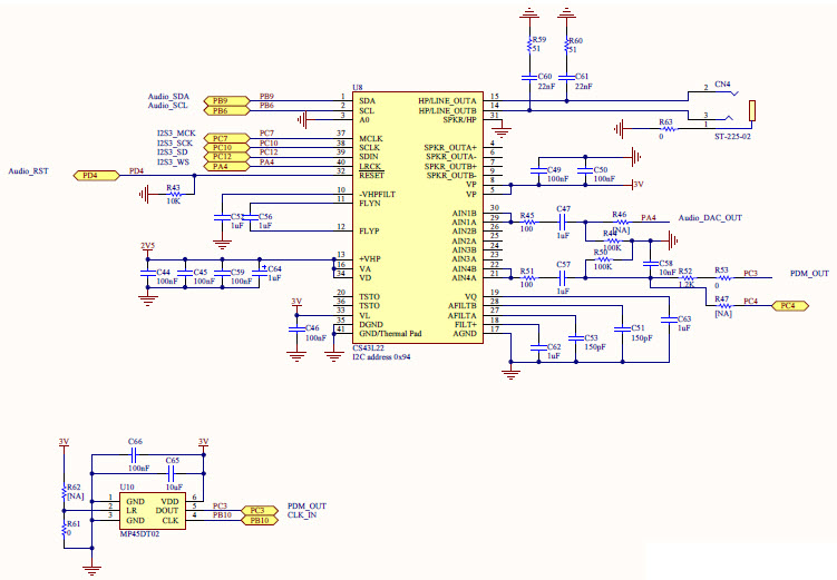
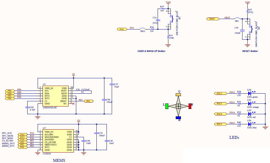
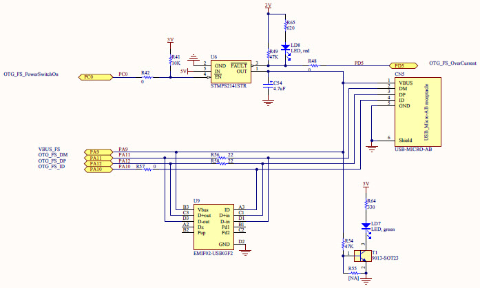
The STMicroelectronics STM32F401C-DISCO, 32F401CDISCOVERY Discovery kit is a comprehensive development platform for the STM32F401VC STM32 microcontroller. It is designed to provide users with a comprehensive set of features for exploring the capabilities of the STM32F401VC MCU. The kit includes a range of peripherals and components, such as an LCD display, a USB OTG connector, and a range of sensors. It also includes a range of security and connectivity features, such as a secure bootloader, a secure element, and a range of wireless connectivity options. The kit is ideal for developing applications in the areas of industrial automation, consumer electronics, and the Internet of Things.
Specifications
STMicroelectronics technical specifications, attributes, parameters and parts with similar specifications to STMicroelectronics .
- TypeParameter
- Mounting TypeFixed
- Part StatusObsolete
- Moisture Sensitivity Level (MSL)1 (Unlimited)
- TypeMCU 32-Bit
- Operating Supply Voltage5V
- InterfaceUSB
- Number of Bits32
- Core ProcessorARM® Cortex®-M4
- Data Bus Width32b
- Utilized IC / PartSTM32 F4
- Evaluation KitYes
- Core ArchitectureARM
- ContentsBoard(s)
- Board TypeEvaluation Platform
- PlatformDiscovery
- REACH SVHCNo SVHC
- RoHS StatusROHS3 Compliant
- Lead FreeLead Free
0 Similar Products Remaining
Technical Documents
Associated Products
| Part Number | Manufacturer | Description | Stock | RFQ |
|---|---|---|---|---|
| STMicroelectronics | EMI Filter 2-Line Flat Style SMD T/R | 9 | RFQ | |
| STMicroelectronics | MCU 32-bit ARM Cortex M3 RISC 64KB Flash 2.5V/3.3V 48-Pin LQFP Tray | 24810 | RFQ | |
| STMicroelectronics | IC REG LINEAR 3.3V 150MA SOT23-5 | 6000 | RFQ | |
| STMicroelectronics | IC REG LINEAR 2.5V 150MA SOT23-5 | 6000 | RFQ | |
| STMicroelectronics | IC PWR SWITCH 1CH 500MA SOT23-5 | 18000 | RFQ |


Product
Brand
Articles
Tools





























