NXP USA Inc. DEMO9S12XSFAMEMC9S12XS128 Microcontroller Demonstration Board 4MHz CPU
Description
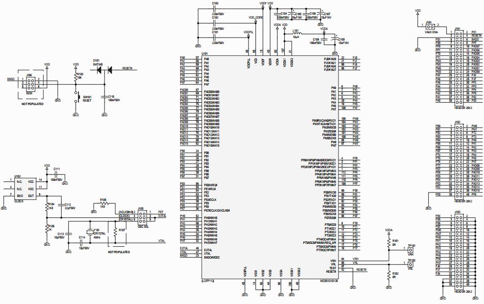
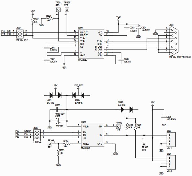
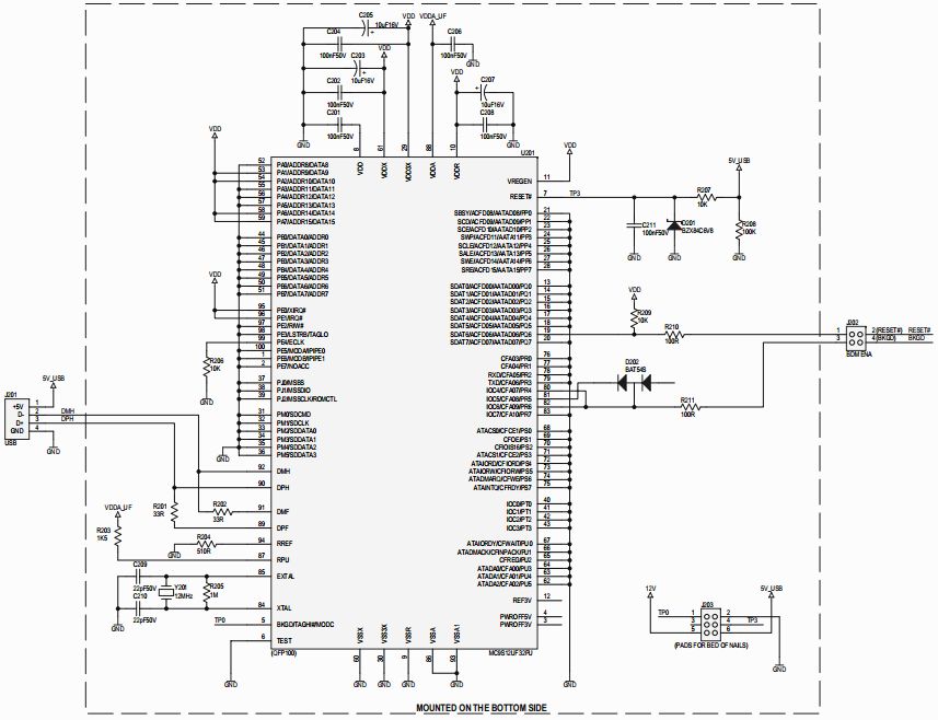
The NXP Semiconductors DEMO9S12XSFAME-XSFAME is a demonstration board for the MC9S12XS128, a 16-bit family of S12 and S12X microcontrollers. It is designed for use in consumer electronics applications and provides a comprehensive set of features and peripherals to help developers quickly and easily evaluate the capabilities of the MC9S12XS128. The board includes a variety of on-board peripherals, such as a CAN bus, LCD display, and a variety of analog and digital I/O. It also includes a USB port for programming and debugging, as well as a JTAG port for in-circuit programming and debugging. The board is also compatible with a range of development tools, including CodeWarrior and IAR Embedded Workbench.
Specifications
NXP USA Inc. technical specifications, attributes, parameters and parts with similar specifications to NXP USA Inc. .
- TypeParameter
- Factory Lead Time11 Weeks
- Mounting TypeFixed
- SeriesHCS12X
- Part StatusActive
- Moisture Sensitivity Level (MSL)1 (Unlimited)
- TypeMCU 16-Bit
- Utilized IC / PartMC9S12XS128
- ContentsBoard(s), Cable(s)
- Board TypeEvaluation Platform
- RoHS StatusROHS3 Compliant
0 Similar Products Remaining
Technical Documents
Associated Products
| Part Number | Manufacturer | Description | Stock | RFQ |
|---|---|---|---|---|
| NXP USA Inc. | MCU 16-bit HCS12 CISC 128KB Flash 5V Automotive 64-Pin LQFP Tray | 10000 | RFQ | |
| NXP USA Inc. | CAN 1Mbps Sleep/Standby 5V Automotive 14-Pin SO T/R | 0 | BUY | |
| STMicroelectronics | IC TXRX 3-5.5V RS232 LP 16-SOIC | 17076 | RFQ | |
| STMicroelectronics | IC OPAMP GP 1.4MHZ RRO 14SO | 16642 | RFQ | |
| STMicroelectronics | IC OPAMP GP 1.4MHZ RRO 14SO | 1300 | RFQ |


Product
Brand
Articles
Tools


























