NXP USA Inc. DEMO9S12NE64EMC9S12NE64 Microcontroller Demonstration Kit 25MHz CPU 64KB Flash
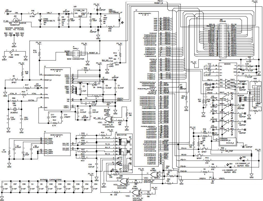
The NXP Semiconductors DEMO9S12NE64E-E Demonstration Board is a powerful tool for developing applications with the MC9S12NE64 microcontroller family. It is designed for automotive and transportation applications, and provides a comprehensive set of features to help developers quickly and easily evaluate the capabilities of the MC9S12NE64 microcontroller. The board includes a variety of peripherals, such as a CAN transceiver, a LIN transceiver, a real-time clock, and a temperature sensor. It also includes a variety of connectors and headers for easy connection to external devices. The board is powered by a 5V DC power supply, and includes a USB port for programming and debugging. The board also includes a comprehensive set of software tools, including a C compiler, an assembler, and a debugger. With the NXP Semiconductors DEMO9S12NE64E-E Demonstration Board, developers can quickly and easily evaluate the capabilities of the MC9S12NE64 microcontroller family for automotive and transportation applications.
- TypeParameter
- Factory Lead Time11 Weeks
- Mounting TypeFixed
- SeriesHCS12
- Published2008
- Part StatusActive
- Moisture Sensitivity Level (MSL)1 (Unlimited)
- TypeMCU 16-Bit
- Utilized IC / PartMC9S12NE64
- ContentsBoard(s), Cable(s), Power Supply
- Board TypeEvaluation Platform
- RoHS StatusROHS3 Compliant
| Part Number | Manufacturer | Description | Stock | RFQ |
|---|---|---|---|---|
| ECS Inc. | CRYSTAL 25.000 MHZ 18PF SMD | 603 | BUY | |
| Analog Devices, Inc. | 0 | RFQ | ||
| ECS Inc. | CRYSTAL 25.000 MHZ 18PF SMD | 241 | BUY | |
| ECS Inc. | CRYSTAL 25.000MHZ 18PF SMT | 885 | BUY | |
| ECS Inc International | Crystal 25MHz ±30ppm (Tol) ±50ppm (Stability) 18pF FUND 30Ohm 2-Pin HC-49/USX SMD T/R | 1694 | BUY | |
| Analog Devices, Inc. | IC REG LDO 3.3V 1.5A D2PAK | 64 | RFQ | |
| ECS Inc. | Crystal 25MHz ±30ppm (Tol) ±50ppm (Stability) 18pF FUND 30Ohm 2-Pin HC-49/USX SMD T/R | 1251 | BUY | |
| ECS Inc. | Crystal 25MHz 18pF ±50ppm Stability 2-Pin SMD T/R | 672 | BUY | |
| ECS Inc. | CRYSTAL 25.0000MHZ 18PF SMD | 6175 | BUY |


Product
Brand
Articles
Tools

















