NXP USA Inc. FRDM-K66FNXP FRDM-K66F Freedom Evaluation & Development Board, For Kinesis K66F MCU Families & NXP Sensors, Low Power
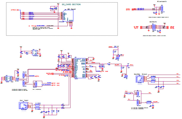
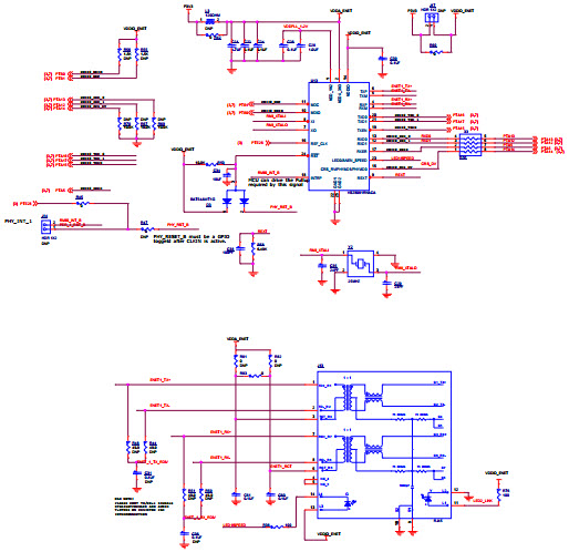
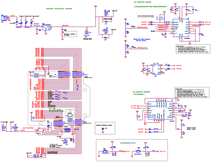
The NXP Semiconductors FRDM-K66F Freedom Development Platform is a powerful and versatile development platform for Kinetis K66, K65 and K26 MCUs based on the MK66FN2M0VMD18 Industrial Grade ARM Cortex-M4 MCU. It is designed to provide a comprehensive development environment for embedded applications, with a wide range of features and peripherals. The FRDM-K66F includes a range of on-board sensors, including a 3-axis accelerometer, a 3-axis magnetometer, a temperature sensor, and a pressure sensor. It also includes a range of communication interfaces, including USB, Ethernet, CAN, and UART. The FRDM-K66F is also compatible with the Kinetis Design Studio IDE, which provides an integrated development environment for creating, debugging, and deploying applications.
- TypeParameter
- Factory Lead Time7 Weeks
- Mounting TypeFixed
- SeriesKinetis
- Published2015
- Part StatusActive
- Moisture Sensitivity Level (MSL)1 (Unlimited)
- TypeMCU 32-Bit
- Core ProcessorARM® Cortex®-M4
- Utilized IC / PartK26, K66
- ContentsBoard(s)
- Board TypeEvaluation Platform
- PlatformFreedom
- RoHS StatusROHS3 Compliant
| Part Number | Manufacturer | Description | Stock | RFQ |
|---|---|---|---|---|
| Microchip Technology | IC TRANSCEIVER FULL 1/1 24QFN | 2800 | RFQ | |
| ON Semiconductor | IC REG LINEAR 3.3V 1A SOT223 | 12000 | RFQ | |
| Texas Instruments | IC REG LINEAR 1.8V 200MA SC70-5 | 150 | BUY | |
| NXP USA Inc. | NTSX2102 Series 5.5 V 50 Mbps Dual Supply Translating Transceiver - XQFN-8 | 50 | RFQ | |
| NXP USA Inc. | NXP - MK20DX128VFM5 - MCU, 32BIT, CORTEX-M4, 50MHZ, QFN-32 | 0 | RFQ | |
| NXP USA Inc. | IC MCU 32BIT 2MB FLASH 144MAPBGA | 5000 | RFQ |


Product
Brand
Articles
Tools































