Maxim Integrated MAX5969AEVKIT#Power Management IC Development Tools MAX5969A Eval Kit
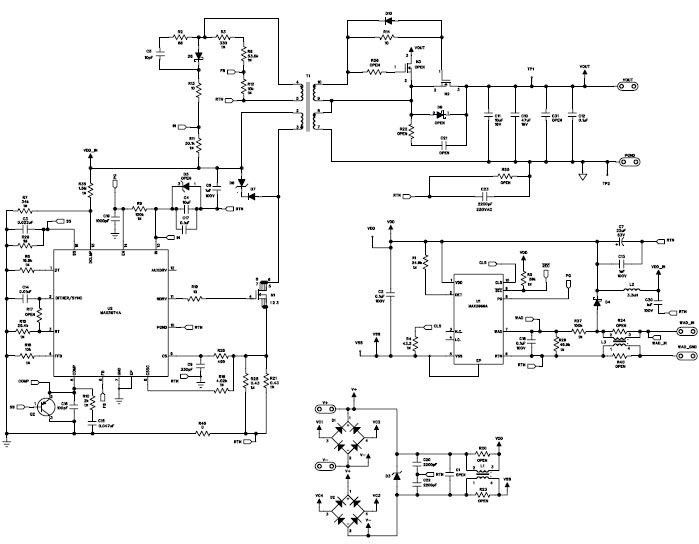
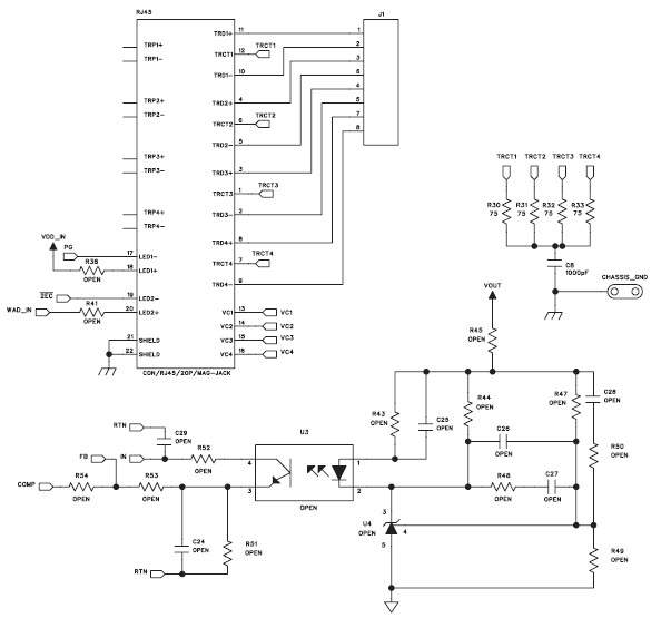
The evaluation kit includes a MAX5969A PoE PD controller, a MAX5969A-EVKIT# evaluation board, and a MAX5969A-EVKIT# software package. The MAX5969A PoE PD controller is a single-chip solution that provides a complete PoE PD solution, including power sourcing, power delivery, and power management. The MAX5969A-EVKIT# evaluation board provides a platform for evaluating the MAX5969A PoE PD controller. The MAX5969A-EVKIT# software package includes a graphical user interface (GUI) for configuring and monitoring the MAX5969A PoE PD controller. The MAX5969A-EVKIT# evaluation board also includes a USB-to-I2C interface for programming and debugging the MAX5969A PoE PD controller. The MAX5969A-EVKIT# evaluation board is designed to be used with the MAX5969A PoE PD controller and is compatible with the IEEE 802.3af, Computers and Peripherals, and IEEE 802.3at standards. The MAX5969A-EVKIT# evaluation board is an ideal platform for evaluating the MAX5969A PoE PD controller and developing PoE PD applications.
- TypeParameter
- Factory Lead Time6 Weeks
- Published2012
- Part StatusActive
- Moisture Sensitivity Level (MSL)1 (Unlimited)
- TypePower Management
- Max Operating Temperature85°C
- Min Operating Temperature-40°C
- Base Part NumberMAX5969
- FunctionHot Swap Controller
- Output Voltage12V
- InterfaceEthernet
- Output Current1A
- Utilized IC / PartMAX5969A
- Supplied ContentsBoard(s)
- Evaluation KitYes
- Secondary AttributesTemperature Protection
- Radiation HardeningNo
- RoHS StatusROHS3 Compliant


Product
Brand
Articles
Tools








